![]() YZ25Ⅱ | ![]() YZ25Ⅱ |
|
|
|
经过大量实践证明,蠕动泵泵头的寿命主要取决于滚轮轴承的寿命,原因在于,泵头在使用过程中难免会因软管破裂、使用环境恶劣等因素而使滚轮轴承收到污染,造成不可逆性损伤,纳通YZ-Ⅱ系列蠕动泵泵头滚轮密封,可以有效防止滚轮轴承受到污染,大大延长了泵头的使用寿命,并且滚轮轴承均为耐腐蚀不锈钢材质。 |
|
| ![]() 任何材料的注塑件都会有一定的收缩率,这样会导致成型产品最终尺寸与设计尺寸产生差异,而圆弧的尺寸精准度直接影响泵管的寿命和密封性,所以直接注塑成型的产品精度欠佳。纳通YZ-Ⅱ系列蠕动泵泵头经过特殊工艺处理,使得圆弧尺寸误差保证在2丝以内,产品压管均匀,密封性好,并有效延长泵管使用寿命。 |
![]() 纳通大量实验数据表明,蠕动泵泵头压管的松紧度(也就是本文所说的压力)能在很大程度上影响泵管的寿命,压力越大,泵管使用寿命越短。在对压力要求不高的情况下使用较小压力,可以有效延长泵管寿命一倍以上。压力调节还可以扩展泵管的使用范围,壁厚公差一般为±0.1mm,如果泵头没有压力调节功能,使用过程中压力可能过大或者过小,甚至是不上水,而压力调节功能可以很好解决这个问题。 |
|
|
|
左图为纳通YZ-Ⅱ系列蠕动泵泵头滚轮,可使用35#、36#两种更粗的软管,可达到更大的流量,右图为普通泵头滚轮,不能使用这两款软管,可达到的流量小,容易撵管。 |
|
|
左图为纳通YZ-Ⅱ系列蠕动泵泵头滚轮,为四滚轮,右图为普通泵头滚轮,为三滚轮。 |
纳通YZ-Ⅱ系列蠕动泵泵头轮盘采用不锈钢材质(左图),耐腐蚀、耐高温;普通泵头采用铝材质。 纳通YZ-Ⅱ系列蠕动泵泵头采用聚四氟乙烯材质的主轴垫圈,耐腐蚀、耐高温;普通泵头采用普通橡胶材质垫圈,耐腐蚀性能差,易老化。 |
|
技术参数:
| 泵头 型号 | 软管 型号 | 毫升/转 | 参考流量(mL/min) (转速0.1-600rpm) | 软管壁厚 | 软管承 压Mpa | 外壳材料 | 滚轮装 置材料 | 滚轮 数量 | 重量 | |
| YZ25Ⅱ | 15# | 1.75 | 0.175-1050 | 2.4mm | 0.17 | 0.27 | 聚苯硫醚PPS | 304不锈钢 | 4 | 0.7kg |
| 24# | 2.7 | 0.27-1620 | ||||||||
| 35# | 3.85 | 0.385-2310 | ||||||||
| 36# | 5 | 0.5-3000 | ||||||||
| YZ15Ⅱ | 13# | 0.08 | 0.008-48 | 1.6mm | 0.17 | 0.25 | 聚苯硫醚PPS | 304不锈钢 | 4 | 0.7kg |
| 14# | 0.28 | 0.028-170 | ||||||||
| 19# | 0.53 | 0.053-320 | ||||||||
| 16# | 0.88 | 0.088-530 | ||||||||
| 25# | 1.88 | 0.188-1130 | ||||||||
| 17# | 3.1 | 0.31-1860 | 0.15 | 0.22 | ||||||
| 18# | 4 | 0.4-2400 | ||||||||
流量参考曲线:

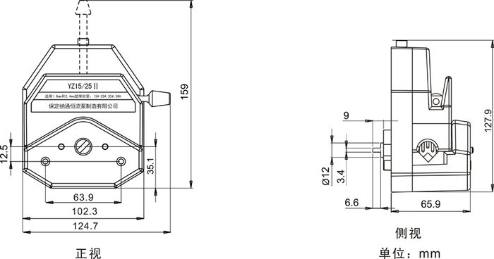
泵头尺寸:
