技术参数:
| 型号 | 流量 L/H | 压力 Mpa | 柱塞直径 mm | 行程 mm | 泵速 min-1 | 电机功率 kw | 进出口径 | 联接方式 |
| *JSD 23/50 | 23 | 50 | 12 | 40 | 100 | 3 | DN10 | WN法兰 |
| JSD 40/40 | 40 | 40 | 16 | |||||
| JSD 63/28 | 63 | 28 | 20 | |||||
| JSD 105/18 | 105 | 18 | 25 | DN15 | ||||
| JSD 175/11 | 175 | 11 | 32 | |||||
| JSD 240/8.0 | 240 | 8.0 | 38 | |||||
| JSD 300/6.3 | 300 | 6.3 | 42 | |||||
| JSD 360/5.5 | 360 | 5.5 | 45 | |||||
| JSD 450/4.5 | 450 | 4.5 | 50 | DN20 | RF法兰 | |||
| JSD 540/3.8 | 540 | 3.8 | 55 | |||||
| JSD 650/3.2 | 650 | 3.2 | 60 | |||||
| JSD 760/2.6 | 760 | 2.6 | 65 | |||||
| JSD 900/2.3 | 900 | 2.3 | 70 | DN25 | ||||
| JSD 1050/2.0 | 1050 | 2.0 | 75 | |||||
| JSD 1200/1.8 | 1200 | 1.8 | 80 | |||||
| JSD 1350/1.6 | 1350 | 1.6 | 85 | |||||
| JSD 1500/1.4 | 1500 | 1.4 | 90 | DN32 | ||||
| JSD 1680/1.2 | 1680 | 1.2 | 95 | |||||
| JSD 1850/1.0 | 1850 | 1.0 | 100 | |||||
| JSD 2050/0.8 | 2050 | 0.8 | 105 | DN40 | ||||
| JSD 2500/1.0 | 2500 | 1.0 | 95 | 150 | DN32 | |||
| JSD 3000/0.6 | 3000 | 0.6 | 105 | DN40 |
* 可以做成双头(流量是单头的两倍);可以做成三头(流量是单头的三倍)。
* 以上参数、电机、联接方式为标准配置,特殊配置请咨询我们。
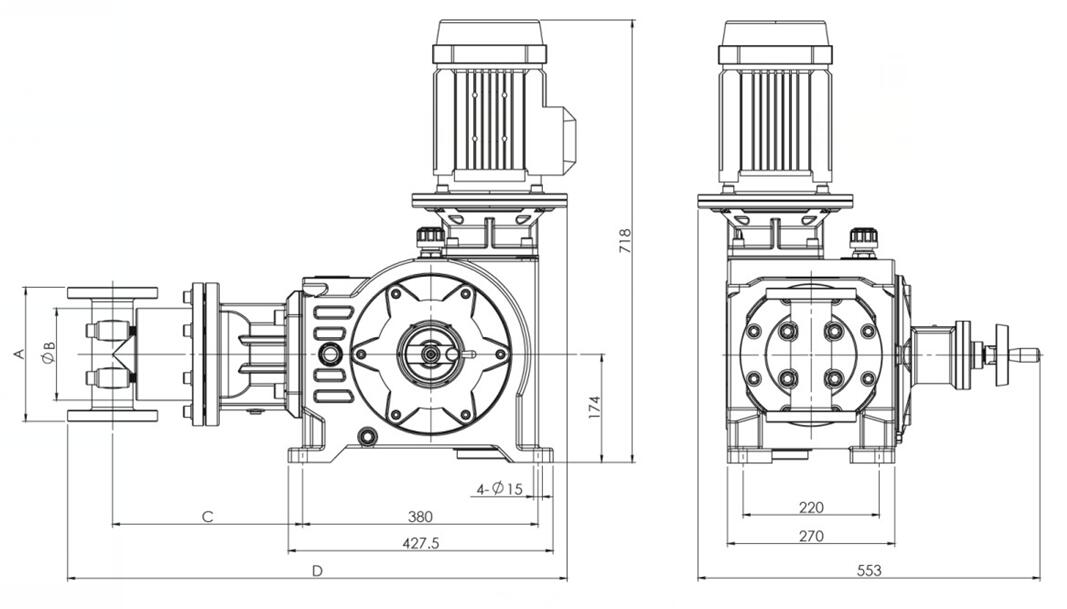
安装尺寸:
