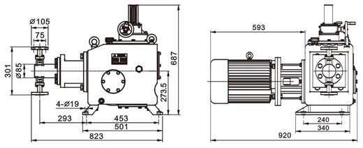
详细产品介绍 流量范围: 0-6050 L/H 压力范围: 0-50 Mpa 电机功率: 5.5KW, 7.5KW, 380V / 400V, 50/60Hz 驱动系统: 三相标准电机或防爆电机 流量控制: 手动控制或自动控制 材料 泵头: SUS304, SUS316,SUS304+PTFE,SUS316+PTFE 单向阀: SUS304, SUS316, PVC, PTFE 阀球: ZrO2, SUS304, SUS316, 陶瓷, 二氧化硅 | 工作条件 环境温度: -30℃ --- 100℃ 电机: 三相标准电机或防爆电机 电机功率: 5.5KW, 7.5KW, 380V / 400V, 50/60Hz 防护等级: IP55 特点 柱塞泵使用的排出压力范围比较广泛,且宜制成高压泵 结构简单,维修方便,价格具有竞争优势 柱塞直径很小,通常在3-200mm. 使用绝缘,冷却或加热泵缸控制介质温度。 应用 广泛应用于化工、石油化工、电力、医药、采矿、造船、轻工、农业、国防等领域。
|
技术参数
型 号 | 流 量 L/h | 压力 Mpa | 柱塞直径 mm | 行程 mm | 泵速 min-1 | 电机功率 kw | 进出口径 | 联接方式 | ||
JDR | 2-JDR | 3-JDR | ||||||||
JDR□/50 | 92 | 184 | 276 | 50 | 20 | 60 | 96 | 5.5 | DN15 | WN 法兰 |
JDR□/32 | 145 | 290 | 435 | 32 | 25 | |||||
JDR□/18 | 190 | 380 | 570 | 25 | 28 | |||||
JDR□/20 | 240 | 480 | 720 | 20 | 32 | |||||
JDR□/11 | 430 | 860 | 1290 | 11 | 42 | 60 | 96 | 5.5 | DN20 | WN 法兰 |
JDR□/9.0 | 520 | 1040 | 1560 | 9.0 | 45 | |||||
JDR□/8.0 | 650 | 1300 | 1950 | 8.0 | 50 | |||||
JDR□/6.5 | 780 | 1560 | 2340 | 6.5 | 55 | |||||
JDR□/5.5 | 930 | 1860 | 2790 | 5.5 | 60 | 60 | 96 | 5.5 | DN25 | RF 法兰 |
JDR□/4.6 | 1100 | 2200 | 3600 | 4.6 | 65 | |||||
JDR□/4.0 | 1300 | 2600 | 3900 | 4 | 70 | |||||
JDR□/3.5 | 1480 | 2960 | 4440 | 3.5 | 75 | |||||
JDR□/3.0 | 1700 | 3400 | 5100 | 3.0 | 80 | 60 | 96 | 5.5 | DN32 | RF 法兰 |
JDR□/2.8 | 1920 | 3840 | 5760 | 2.8 | 85 | |||||
JDR□/2.4 | 2150 | 4300 | 6450 | 2.4 | 90 | |||||
JDR□/2.2 | 2400 | 4800 | 7200 | 2.2 | 95 | |||||
JDR□/2.0 | 2680 | 5360 | 8040 | 1.8 | 100 | 60 | 96 | 5.5 | DN40 | RF 法兰 |
JDR□/1.6 | 3250 | 6500 | 9750 | 1.5 | 110 | |||||
JDR□/1.3 | 3860 | 7720 | 11580 | 1.3 | 120 | |||||
JDR□/1.1 | 4550 | 9100 | 13650 | 1.1 | 130 | |||||
JDR□/1.0 | 5260 | 10520 | 15780 | 1.0 | 140 | 60 | 96 | 5.5 | DN50 | RF 法兰 |
JDR□/0.8 | 6050 | 12100 | 18150 | 0.8 | 150 | |||||
说明:说明:该表中的电机功率供作JDR / 2J-DR,如用于3-JDR电机功率需配7.5kw
|