JQ06塑料泵:PP/Acetal/PVDF


JQ06塑料泵技术参数:
最大工作压力max.working pressure | 100psi(0.7Mpa/7bar) |
最大流量max.flow rate | 17lpm(1.02m³/h) |
最大虹吸高度max.suction height | 3m |
最大输送固体颗粒max.permiffed grain | 0.5mm |
空气进口尺寸air inlet size | 1/4in.npt(f)1/4in.bsp(f) |
液体进出口尺寸fluid inlet/outlet size | 1/4in.npt(f).bsp(f) |
重量weight | 乙缩醛泵Acetal pump 1.1kg |
JQ06塑料泵性能曲线:

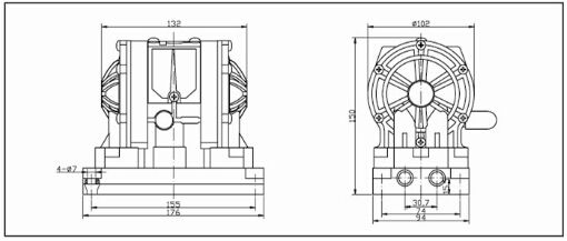
JQ06塑料泵安装尺寸图:
