JQ40塑料泵:PP/Acetal/PVDF

JQ40金属泵材质:AL/SST
JQ40塑料泵技术参数:
最大工作压力max.working pressure | 100psi(0.7Mpa/7bar) |
最大流量max.flow rate | 340lpm(20m³/h) |
最大虹吸高度max.suction height | 5m |
最大输送固体颗粒max.permiffed grain | 5mm |
空气进口尺寸air inlet size | 1/2in |
液体进出口尺寸fluid inlet/outlet size | 1-1/2in |
重量weight | PVDF pump 20.0kg |
PP pump 16kg |
JQ40塑料泵性能曲线:

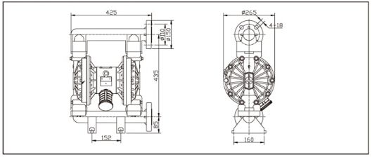
JQ40塑料泵安装尺寸图:
