| 特点: | 免润滑剂操作,免维修,噪音度的降低,高效率的运转,适合各种恶劣的环境,防尘防水防爆,长时间连续运转。 |
型号以及功能数据
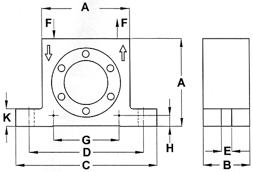
本体尺寸图,如下所示
德国Netter气压式涡轮气动振动器NCT系列应用范围: 德国Netter气压式涡轮气动振动器NCT系列结构和运转的特性: |
| 德国Netter气压式涡轮气动振动器NCT系列NCT本体尺寸图: |

德国Netter气压式涡轮气动振动器NCT系列型号及功能: 型号不平衡力频率[min]中央出力 牛顿(N)空气消耗[/min]噪音分贝[dB(A)](cm/kg)2bar4bar6bar2bar4bar6bar2bar4bar6bar2bar4bar6barNCT 10.006229,40036,00040,500294441558315579647075NCT 20.012424,00028,60032,400392557714335682656972NCT 30.01627,00033,60038,4006319761,2754583115697679NCT 40.02323,80029,80033,8007151,1211,4414679117657171NCT 50.04918,60024,60027,6009191,6072,022119188261688085NCT 100.09616,50020,40022,5001,4342,1912,666119192262737582NCT 150.14217,40021,00023,4002,3653,4444,277229392600768586NCT 290.28212,60015,00018,0002,4593,4855,018227363592687277NCT 550.54511,10013,80016,2003,6835,6927,8444657961,158778085NCT 1081.0819,00010,20012,0004,8026,1688,5374557511,226737984NCT 1261.2628,0009,90010,5004,4306,7837,6316301,1601,687717983NCT 2502.5025,1006,9007,8003,5696,5338,3486251,1251,845717882 |
德国Netter气压式涡轮气动振动器NCT系列本体尺寸图 : TypeA (mm)B (mm)C (mm)D (mm)E (mm)F G (mm)H (mm)K (mm)Mass (kg)NCT 1402770566.51/8"305.5100.165NCT 2402770566.51/8"305.5100.162NCT 35032866871/8"407120.230NCT 45032866871/8"407120.240NCT 565431139091/4"509160.550NCT 1065431139091/4"509160.570NCT 15805612810491/4"6010161.045NCT 29805612810491/4"6010161.090NCT 5510073160130113/8"8012202.125NCT 10810073160130113/8"8012202.250NCT 12612086194152173/8"10013253.585NCT 25012086194152173/8"10013253.820 |