RHSH-XF系列为一种适用于恶劣环境的全自动自清洗型过滤器,对于不同的使用要求可配备3500微米-50微米的滤网,8”-36”的口径。过滤器的自清洗过程由一个时刻监测过滤器进出口压差的压差开关来启动 , 通常情况下压差开关的预设值是0.5bar (7psi)。
滤器工作原理
当过滤器进出口的压差达到预设值时,过滤器将开始自清洗过程,整个自清洗过程包含两个步骤:打开位于
过滤器上端盖上的排污阀;马达带动本体滤网内的两把不锈钢刷转动,被滤网所捕捉的杂质因此被钢刷刷下并从
排污阀排出。 整个清洗过程耗时约15-60秒,清洗时系统不断流,过滤器的整个运行过程由随机配备的一个控制
箱来控制。
过滤器性能
不间断供水:清洗时水量极少,是过滤器出水量的 1%,冲洗时间为2~15秒,整个系统不间断供水。
过滤精度高:过滤精度最高可达到20微米,有各种精度的滤网供您选择。
过滤面积大:标准滤网有效过滤面积是入口面积的7~40倍。
清洗可靠:有多种控制方式,手动、压差、时间、PLC程序逻辑控制等选择。
安装经济简单:结构形式多样,适合于现场各种情况安装,而不影响运行效果。
使用寿命长:正常情况寿命10年以上,滤网为不锈钢,根据需要,可以很方便地更换不同规格的滤网。
综合参数
操作流量: 150-2500m3/h; 详情请与厂家联系
不同的水质&精度,相应的流量有差异
最低工作压力: 2bar 工作压力过低可在排污口处设增压泵设备
最高工作压力: 10bar ; 150psi 据用户要求可特制高压型,详情与厂家联系
过滤面积: 编织型滤网: 3000cm2 -20000 cm2
进/出口直径: 50,80, 100,150,200,250,300,350,400,500,600,800mm
最高工作温度: 50℃ 高于此温度请特别说明
清洗参数
排污阀: 25mm; 50mm; 80mm;
清洗时间: 30-60秒
每次清洗耗水量: ≤1%
控制和配电
控制电压: 220V 根据需要可选用10伏或24伏直流)
马达功率: 0.7-1.0马力, 50Hz
额定操作电压: 3相, 220/380V (根据需要)
电流: 1.5-2A
过滤器筒体和盖子
过滤器本体: 碳钢 37-2,环氧树脂涂布 根据要求可用不锈钢316
滤网: 不锈钢316L楔形滤芯;不锈钢316L编织钢丝
清洗机构(内部): 不锈钢316L, POM
排污阀: 铸铁,环氧树脂涂布,天然橡胶
密封圈: 合成橡胶,聚四氟乙烯
伊诺特可提供一系列特殊材质与涂层的特种机型供特殊用户的需求,详情请与制造商联系。
标准过滤等级 编织型滤网:500, 300, 200, 130, 100, 80, 50, 25, 10 micron
楔形滤芯:50,80,100, 200, 300, 500 micron
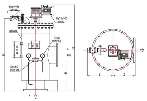
过滤器尺寸图

| 型号 | XF-150 | XF-200 | XF-250 | XF-300 | XF-350 | XF-400 | XF-450 | XF-500 | XF-600 |
| 管径(mm) | 150 | 200 | 250 | 300 | 350 | 400 | 450 | 500 | 600 |
| 过滤流量(m3/h) | 150 | 300 | 450 | 600 | 900 | 1200 | 1500 | 2000 | 2800 |
| 过滤面积(cm2) | 7500 | 7500 | 7500 | 14500 | 17500 | 21500 | 25000 | 25000 | 2600 |
| 排污阀DN(mm) | 50 | 50 | 50 | 50 | 80 | 80 | 80 | 80 | 80 |
| 一次清洗水量(L) | 150 | 150 | 200 | 200 | 350 | 350 | 350 | 350 | 350 |
| 电机功率(KW) | 0.55 | 0.55 | 0.55 | 0.75 | 0.75 | 0.75 | 0.75 | 0.75 | 0.75 |
| 重量(Kg) | 310 | 320 | 350 | 460 | 510 | 638 | 956 | 1056 | 1243 |
| 型号 | D(mm) | H(mm) | H1(mm) | H2(mm) | H2★(mm) | L1(mm) | L2(mm) |
| XF-150 | 430 | 550 | 1100 | 1360 | 2000 | 400 | 360 |
| XF-200 | 430 | 550 | 1100 | 1360 | 2000 | 400 | 360 |
| XF-250 | 430 | 550 | 1100 | 1360 | 2000 | 400 | 360 |
| XF-300 | 630 | 685 | 1360 | 1660 | 2600 | 510 | 460 |
| XF-350 | 630 | 685 | 1360 | 1660 | 2600 | 510 | 460 |
| XF-400 | 724 | 900 | 1380 | 1710 | 2800 | 610 | 510 |
| XF-450 | 824 | 765 | 1500 | 1850 | 2850 | 630 | 600 |
| XF-500 | 924 | 920 | 1720 | 2100 | 3000 | 650 | 660 |
| XF-600 | 1024 | 1010 | 1850 | 2300 | 3300 | 700 | 710 |