QL系列气流粉碎机采用德国核心技术以气体作为工作介质,利用流体能使粉粒之间发生激烈的碰撞、摩擦、剪切等作用,当加在粒子上的外力大于粒子本身的许用应力时达到粉碎目的。气流粉碎机将气体的压力能转化为速度能,其动能的大小根据动能公式E动=1/2mv2(式中:m-质量,v-速度)即动能的大小与速度的平方成正比,由于气流粉碎机能产生很大的流速,尤其是超音速气流粉碎机能产生数倍音速,因而容易获得微米级和亚微米级的超细粒子。
气流粉碎机是一种没有运转部件的静设备,应用范围几乎适用于所有干式脆性物料的超微粉碎,广泛用于非金属矿、医药、化工、涂料、电子材料、金属粉末、食品、医药、添加剂、淀粉等行业。
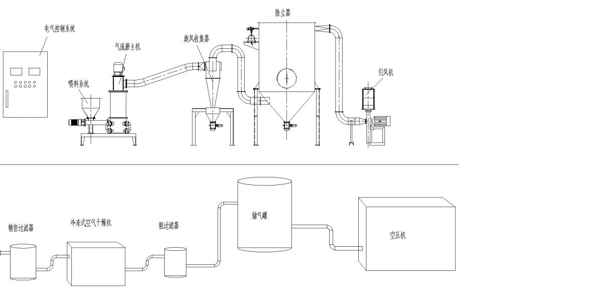
QL系列气流粉碎机与旋风收集器、脉冲袋式除尘收集器、引风机、电气控制系统及加料装置组合成为机组,本机组具有装拆、清洗、收料方便,因此适用于物料品种经常更换的试验型设备。且具有一定的生产能力,也可作小批量生产的实验型设备。
特点
1、气流粉碎机适用于干式脆性物料的超微粉碎,一般情况下可获得微米级的产品,根据物料性质还能得到亚微米级的粒子。
2、内壁采用不锈钢材料,耐磨性较好,防止铁质的污染,并由于气流粉碎的粉碎原理为颗粒间的自磨粉碎,所以产品污染少,从而获得高纯度的产品。
3、压缩气体经过喷嘴时由于绝热膨胀产生的降温效应,使粉碎在低温下进行,因此对粉碎低熔点,热敏性物质其优点尤为显著。
4、生产流程全在密闭的设备和管道中进行,没有粉尘飞扬,低噪声,无振动,对环境保护及操作者健康有现实意义。
5、主机结构组合拆装简单,清洗方便,适用于粉碎品种的更换。
2 技术参数
| 参数 型号 | QL03 | QL06 | QL10 |
| 空气耗量(m3/min) | 3 | 6 | 10 |
| 生产能力(㎏/h) | 5-50 | 20-150 | 50-300 |
| 进料粒径(mm) | <2 | <2 | <3. |
| 粉碎细度(μm) | 4-10 | 4-10 | 5-10 |
| 分级电机功率(kw) | 3 | 3 | 4 |
注:生产能力及粉碎粒度视物料不同及配套装置匹配有所变化而定
3 设备结构与工作原理
基本结构

本生产系统组由气流粉碎主机,旋风收集器、脉冲袋式除尘收集器、引风机、空压机、精密过滤器、冷冻式空气干燥机、储气罐、粗过滤器等组成一个气流粉碎系统。
气流粉碎机主机由料仓——用于储存原料。螺旋加料机——用于控制系统均匀下料,电机为变频控制,通过变频器来控制加料量得大小。上磨体和下磨体。上磨体为分级室——通过分级叶轮分离成品,下磨体为粉碎室——上端为喂料器进料口,在粉碎过程中向粉碎腔供料。 中下部装有4个喷嘴,压缩空气通过喷嘴喷出,产生高速气流,对物料进行粉碎。
粉碎、分级原理
粉碎喷嘴向粉碎室喷射高速射流,使进入粉碎室的粉体粒子发生激烈的碰撞、磨擦而被粉碎。当粒子达到某一粒径其离心力等于收集气流作用力时那么这一粒径即为分离界粒径,大于这些粒径的颗粒在粉碎室内继续粉碎,小于这粒径的颗粒被气体带出粉碎室成为产品。
气流粉碎流程
压缩机排出的压力气体经冷冻干燥机后成为干燥气体,进入气流粉碎机与进入粉碎机的物料形成气固二相流,经粉碎后的气固二相流经旋风收集器和除尘器进行气固分离,大部分产品由旋风收集器收集,余料由滤袋除尘器收集,尾气通过滤袋排入大气。
压缩机保证有足够的气量和工作压力,用户可视产品的细度要求和产品的粉碎性能选择压缩机的工作压力,一般来讲选择较高的工作压力有利产品的细度和提高产量。冷冻干燥机的作用是将压缩空气强制冷却,水分离出后自动排出,提高压缩空气的干燥度,其气源质量可满足一般物料的要求。