防爆淹没式电磁脉冲阀DCF-F-Y-76S
关注:8093
品牌:协昌
产地:苏州
设备种类:淹没式电磁脉冲阀

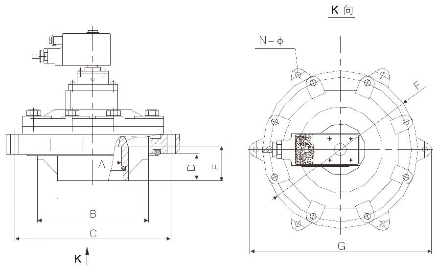
| 电磁脉冲阀型号 | DCF-F-Y-76S |
| 与分气箱和喷管连接器安装参考尺寸 | A | Φ89.5 |
| B | Φ160 |
| C | Φ227 |
| D | 35 |
| E | 43 |
| F | Φ200 |
| G | 249 |
| N-φ | 6-φ11 |
规格型号:DCF-F-00 AC220V
防爆标志:EX mb ⅡC T4Gb/Ex mD 21 T130℃
产品标准:Q/320500 HSXC 007-2015
该产品经国家防爆电气产品质量监督检验中心检验合格并取得了防 爆合格证,其防爆合格证编号为CNEx15.2609X。 确认符合下列标准:
GB3836.1-2010《爆炸性环境第1部分:设备通用要求》
GB3836.9-2006《爆炸性气体环境用电气设备 第9部分:浇封型“m”》
GB12476.1-2013《可燃性粉尘环境用电气设备 第1部分:通用要求》
GB12476.1-2010《可燃性粉尘环境用电气设备 第6部分:浇封保护型“mD”》
产品发布日期:2026.03.18