中心集电器又称大电流滑环、大功率滑环、碳刷滑环、船用滑环,可传输100A及以上的大电流,主要应用于船舶机械、工程机械、港口机械,如船用吊机、海洋平台吊机、电缆卷筒、推进器、钻井平台等复杂工况。
偲诺电子拥有丰富的设计及生产大电流中心集电器的经验,采用独特的结构设计及科学的模拟计算,充分保证每个环路过载电流,确保产品长期传输电流的稳定;同时针对不同的应用领域采用不同的整体设计思路,根据现场使用工况给出合理维护窗口及方法,产品尺寸秉承小而精的设计理念。
偲诺的中心集电器具有高导电率、高寿命、防腐蚀、性能稳定、维护方便,高防护等级、耐高低温,抗震动、抗冲击、耐高压、低电气噪音、信号传输损耗低等特点。
特征
· 大电流采用接线柱连接,接线方便;
· 信号环采用精密刷线设计,结构紧凑,信号稳定;
· 触点材质采用进口铜石墨,性能稳定,粉尘少,寿命高;
· 耐候性优良,电气安全性高;
· 特殊设计维护方便;
可选项
· 电流1-2000A可选
· 电压24-200000V可选
· 可与信号环混合设计,同时可传输RS、USB、以太网等特殊信号
· 可与编码器、光纤、高频旋转接头混合设计
BHCN-C-07P-37S 产品特点
· 安全载流大
· 寿命长,易维护
· 耐候性优良,防护等级高
· 可集成各类信号
可选项
· 通路数
· 电流大小
· 防护等级
· 集成信号类型
典型应用
· 船用吊机
· 推进器
· 钻井平台
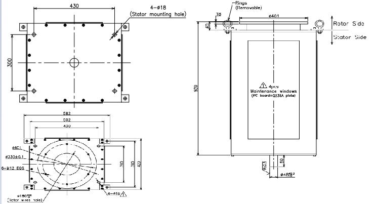
| 电滑环技术参数 | |||
| 电 流 | 3*600A,1*PE,3*60A | 防护等级 | IP54 |
| 电 压 | 500VAC | 工作温度 | -20℃~+60℃ |
| 绝缘电阻 | ≥500MΩ@500VDC | 工作湿度 | <100%RH |
| 耐压强度 | ≥2500VAC@50Hz | 转 速 | 0~15rpm |
| 接触电阻波动值 | ≤10mΩ | 触点材料 | 铜石墨,贵金属 |
| 外形尺寸 | |||
