作为过孔滑环的另一种形式,偲诺电子盘式滑环的设计适用于垂直空间有限而水平空间限制较少的地方。这种类型的滑环提供了超薄厚度特殊有限的安装空间。厚度可达4毫米。通孔和无孔是可选的。
独特的高真空密封技术和贵金属刷确保了滑环的高可靠性传递和旋转性能。薄片式滑环具有转矩小、摩擦小、噪音低、寿命长等优点,主要用于与功率一起传输精确信号。
优势
· 通孔尺寸: 0 ~ 600毫米
· 厚度: 6毫米~ 51毫米
· 旋转速度: 0 ~ 500 rpm
· 寿命: 1000万
· 信号集成: RS、音频、视频、USB、以太网
PSCN022-06P 特点
· 可用于低温环境
· 接触可靠,性能稳定。
· 体积小,扭矩小,接触电阻低
可选项
· 路数
· 信号种类
· 工作温度
· 接触材质
应用
· 移动媒体系统
· 自动化设备
· 天线
· 全站仪
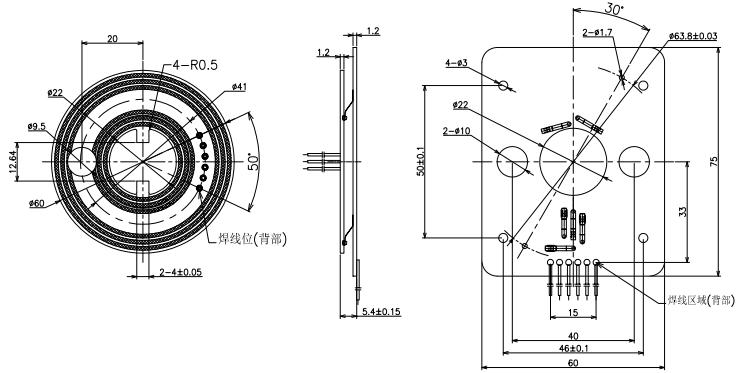
| 参 数 | |||
| 环路电流 | 6*1A | 防护等级 | IP00 |
| 绝缘电阻 | 300MΩ@500VDC | 工作电压 | 380VAC |
| 耐压强度 | ≥100VAC@50Hz | 触点材料 | 贵金属 |
| 工作转速 | 0~100rpm | 导线规格 | AWG28#镀锡铁氟龙®UL |
| 工作湿度 | 60%RH | 过孔直径 | Ø22mm |
| 工作温度 | -30℃~+80℃ | 壳体材料 | PCB(FR-4) |
| 接触电阻波动值 | ≤10mΩ(以 50rpm运转) | 安装方式 | 通过 螺丝固定 |
| 产品外形图 | |||
