偲诺两半式滑环,特殊的安装方式,简化了用户端的安装程序,大大的提升了工作效率,其简单的安装方式受到用户的热捧。
传统型的滑环通常是通过轴孔安装,必须保证滑环能穿过用户的轴再进行安装固定,但有些工况确无法满足这样的安装方式,两半式滑环解决了这类安装难题,同时,电流、信号仍然可以顺利的通过滑环传输,保证无干扰低损耗。
这是两半式滑环,或者我们可以称为纤维刷滑环,因为在这个设计中应用了纤维刷技术。易于维护,具有银内接触材料,
紧凑的尺寸,长寿命和简单的安装是这种类型的滑动的优点。
产品特征: · 易于安装,电噪声低 · 寿命长,扭矩小,旋转平稳 · 传输数据和信号,兼容数据总线协议
应用: · 测量仪 · 建筑工程 · 自动化设备
可选项: · 防护等级 · 电流大小,信号类型 · 内径、外径尺寸 · 通路数
| 技术参数 | |
| 电流环数 | 4路· 2A |
| 工作电压 | 10VAC |
| 电阻波动值 | ≤10mΩ |
| 耐压强度 | 500VAC@50Hz |
| 绝缘电阻 | 100MΩ@ 500VDC |
| 触点材料 | 银 |
| 工作温度 | -20℃~+60℃ |
| 工作速度 | 0~300rpm |
| 工作寿命 | 1000万转 |
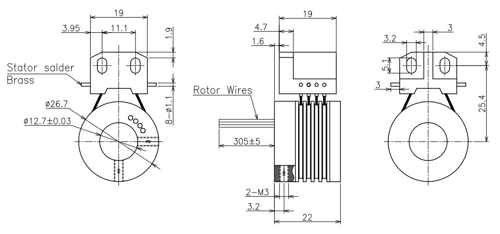
外形尺寸:
