帽式滑环系列产品,结构紧凑,体积小,360度无限制旋转的图像及数据传输,工作噪音低,寿命长,转动力矩小。产品规格有多项可选项,如通路数、壳体材质、防护等级、工作转速、工作温度、线材规格、线材长度、端子接插件等参数,均可根据客户具体要求制作。
产品特点
· 体积小,结构紧凑
· 采用**级表面处理工艺,金对金触点
· 接触电阻小,电气噪音低,运转平滑力矩小
· 传输数据和模拟信号,与数据总线协议兼容
可选项
· 通路数:1路到200路可选
· 防护等级:IP51到IP68可选
· 工作温度:-55~250℃可选
· 支持多种信号、功率混合传输
· 导线长度、出线方式、端子接插件
典型应用
安防监控、LED自动化设备 、雷达天线、转台、**设备 、无人机、机器人、机械手 、医疗设备、仪器仪表
ACN25-30 产品特点:
·贵金属接触保证超长工作寿命
·金-金触点,接触电阻极低
·兼容数据总线协议
·运转平滑
·低力矩
·结构紧凑
可选项:
·工作速度
·更多通路数
·信号及电源可单独或混合传输
·电流、电压
·连接端子
·防护等级
·外壳材质
典型应用:
·闭路监控球形云台
·电气测试设备
·制造和处理控制设备
·旋转工作台
·机器人
·展览/显示设备
·医疗设备
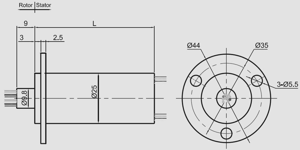
| ACN25 技术参数 | |
| 工作转速 | 0-300 rpm |
| 通路数 | 30,36,46,56 |
| 额定电流 | 2A//路 |
| 额定电压 | 240 VAC/DC |
| 外径 | Φ25 mm |
| 工作湿度 | 60%RH 或更高 |
| 电气噪音 | <10m Ω |
| 工作温度 | -20~+80℃ |
| 防护等级 | IP54 |
| 外壳材质 | 铝合金 |
| 触点材质 | 贵金属 |
| 导线规格 | AWG26#,28#铁氟龙 |
| 可选项 | •导线长度 •IP等级 •工作转速 |

| 长度: | ||
| 型号 | 路数 | 长度 (mm) |
| ACN25-30 | 30 | 51.7 |
| ACN25-36 | 36 | 59.5 |
| ACN25-46 | 46 | 72.5 |
| ACN25-56 | 56 | 85.5 |