以太网技术是目前最常用的网络技术,它为互联网和通信系统提供了1 GBPS的通信带宽。它具有以太网的简单性和相似速率通信系统的经济性。
偲诺针对市场需求根据百兆及千兆以太网的信号协议特点开发了百兆及千兆以太网信号滑环,设计时兼顾EMC电磁兼容及信号阻抗匹配要求,使信号传输损耗小,无误码,超长距离传输,偲诺以太网滑环能够传输高达1000Mbps的数据速率,甚至超过这个速度。此类信号也可以与其他电流环路和信号滑环路集成在同一个滑环上,满足用户各类使用需求。
特征
· 可传输100M/1000M以太网信号
· 传输稳定,不丢包,无串码,损耗小
· 能混合多路信号和电流
· 电流与信号无干扰,符合EMC电磁兼容要求
· 提供RJ45接头直接拔插
典型应用
· 转台测试设备
· 自动化设备
ECN025-15P2-02EG以太网滑环
以太网滑环专为250Mhz频率传输100M / 1000M以太网信号,具有传输可靠,不丢包,无串扰,低损耗等优点,将各种信号和电源与RJ45连接器结合使用。
产品特征: · 传输1000M以太网信号 · 混合多路信号和电流 · 传输稳定,不丢包,无串码,耗损小
应用: · 锂电设备 · 转台 · 自动化设备
可选项: · 防护等级 · 电流大小,信号类型 · 内径、外径尺寸 · 通路数
| ECN025-15P2-02EG技术参数 | |
| 电流环数 | 15*10A,2组· 千兆以太网 |
| 工作电压 | 220VAC/24VAC |
| 电阻波动值 | ≤70mΩ(以 50rpm运转) |
| 耐压强度 | ≥1000V@50Hz(电流) ≥500V@50Hz(信号) |
| 绝缘电阻 | 500MΩ@ 500VDC(电流) 100MΩ@ 100VDC(信号) |
| 工作速度 | 0~300rpm |
| 触点材料 | 贵金属 |
| 工作温度 | -20℃~+60℃ |
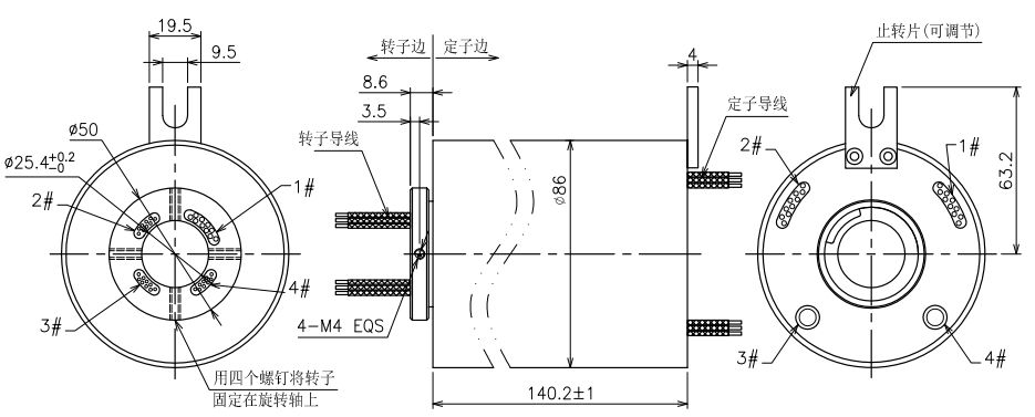
| 过孔直径 | Ø25.4mm |
| 防护等级 | IP54 |
| 工作湿度 | 60%RH以下 |
外形尺寸:
