随着USB设备的普及,并且伴随着高清视频及超大存储设备的应用,更高的传输速度成为了必须的要求。USB 信号为各类通信设备提供了便捷的交互端口,因此USB2.0导电滑环在各类通信系统上也得到了广泛的应用。
偲诺的USB滑环是一个可以360度旋转传输USB信号的旋转接头,可以稳定传输IEEE1394和各种USB信号,可应用于任意需要360度旋转导电并传输1路或多路USB信号的装置,为解决旋转连接的系统部件之间的大容量数据、信号传输,提供了较佳的技术解决方案。
功能
• 传输USB1.0 USB2.0,USB3.0
• 传动平稳,无包装损耗,无串扰,损耗低
• 结合各种信号和功率
• 电源与信号电路无干扰,符合EMC要求
• 配置放大模块,如轮毂,增加传输距离
• USB插头和插头都是可用的
典型应用
• 运动模拟器
• 自动化设备
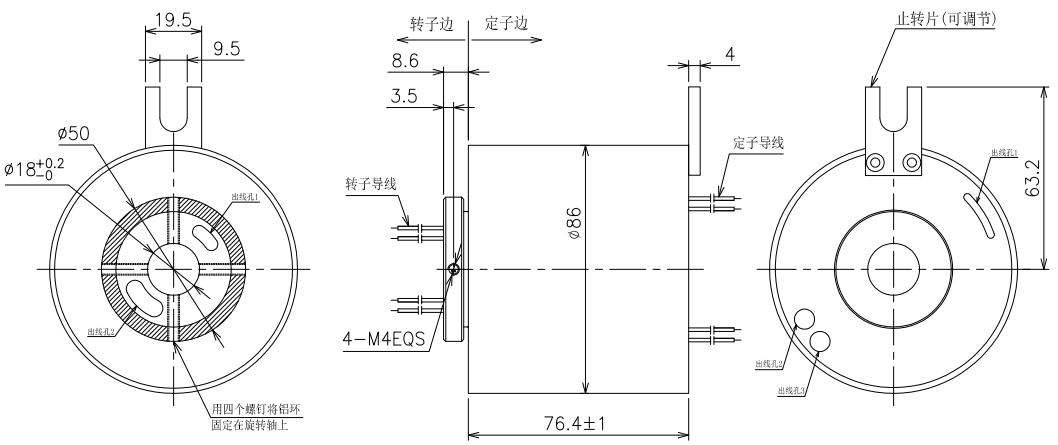
ECN018-04P-02U2 产品特点
• 传输USB2.0信号
• 传输稳定,不丢包,无串码,耗损小
• 低噪音,长寿命,低转矩,平稳旋转
• 电流与信号无干扰,符合EMC电磁兼容要求
• 提供USB公母接头直接拔插
可选项:
• 通路数
• 信号规格
• 电流大小
• 可集成的信号类型
典型应用:
• CCTV
• VR
• 医疗设备
| 技术参数 | |
| 工作速度 | 0-300 rpm |
| 信号类型 &额定电流 | USB2.0/3.0&10Amp 或其他可选 |
| 额定电压 | 380 VAC/DC |
| 绝缘强度 | ≥1500V@50Hz |
| 绝缘电阻 | ≥500MΩ @100VDC |
| 电气噪声 | <10mΩ (50rpm) |
| 错误比率 | <10E-11 |
| 连接材质 | 金对金 |
| 连接头类型 | USB A/B/mini |
| 工作湿度 | 90%RH |
| 工作温度 | -20~+80℃ |
| 防护等级 | IP54 |
| 外壳材质 | 防绣合金 |
