偲诺高清滑环包括SDI高清和HDMI两大类型,可同时传输电信号以及高清视频信号、高速数字信号,满足EMC电磁兼容要求。具有传输稳定、信号衰减损耗和传输波动超低等优点。
特征
• 最高可支持2K@90Hz的视频标准,无闪屏无丢帧现象;
• 金-金接触点保证超长工作寿命;
• 接触电阻低,外形紧凑、低力矩,运行可靠;
• 金属外壳,导线规格、长度及连接器接头可选。
可选项
• 通路数 、视频规格、防护等级 、电流大小、安装方式、可集成多种信号
典型应用
• 高清安防监控,VR应用
• 红外摄影,高清云台
• 光电吊舱,雷达通讯
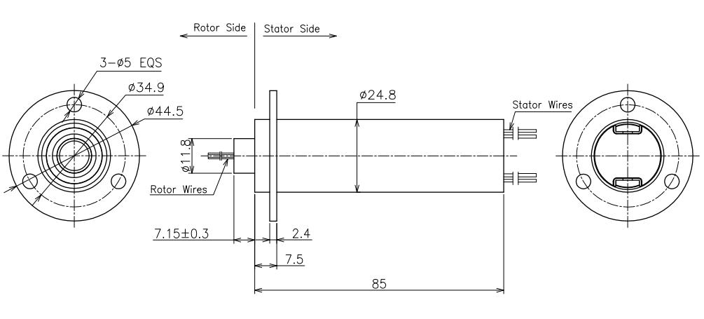
ACN-24S-04RF高清滑环
此款转关节设计有4路RF 信号(外接SMA接头),24路普通信号。这款转关节信号频率为950~1300MHz,隔离度>40dB,插入损耗小于1dB。通常转速为0-10RPM.滑环的接触材质为贵金属,外壳材质为铝合金。
产品特征: • 性能稳定,可靠性高 • 集成了射频旋转关节 • 尺寸紧凑,集成化程度高
应用: • 雷达设备 • 卫星通信设备 • 天线系统
可选项: • 防护等级 • 电流大小,信号类型 • 内径、外径尺寸 • 通路数
| ACN-24S-04RF技术参数 | |
| 电路 | 24路· 信号,4路· RF信号 |
| 工作电压 | 0~110V AC/DC |
| 电阻波动值 | 35MΩ |
| 绝缘电阻 | 50MΩ@200VDC |
| 耐压强度 | ≥200VAC@50Hz |
| 导线规格 | AWG28#铁氟龙®UL,RF 1.37 |
| 工作速度 | 0~10rpm |
| 触点材料 | 贵金属 |
| 工作温度 | -20℃~+60℃ |
| 工作湿度 | 60%RH |
| 防护等级 | IP40 |
外形尺寸:
