偲诺专门设计的伺服电机滑环克服了外界对滑环的干扰以及滑环内部环路间的相互干扰,解决了用户最为担心的干扰问题。
可同时传输各类不同信号,如CANbus,Profibus,RS,以太网信号等,此外,还可以同时传输电流而不影响信号的完整传输。
可集成气液旋转接头,满足客户的多功能需求。
ECN038-15P-02S 产品特点
• 同时RS信号总线和电源环路
• 内部特殊处理,提高信噪比
• 符合EMC电磁兼容要求
可选项
• 通路数
• 防护等级
• 信号类型
• 安装方式
典型应用
• 自动化设备
• 测试设备
| 电滑环技术参数 | |||
| 环路电流 | 15· 10 A,1组*485信号 | 防护等级 | IP54 |
| 工作电压 | 380VAC/VDC | 工作温度 | -20℃~+60℃ |
| 绝缘电阻 | 100MΩ@300VDC | 转速 | 0~300rpm |
| 耐压强度 | 1000 · @50hz(电流) 300 · @50hz(信号) | 触点材料 | 贵金属 |
| 摩擦力矩 | ≤0.15N*m | 壳体材料 | 铝合金氧化黑 |
| 过孔直径 | Ø38 | 电气噪音 | ≤70mΩ |
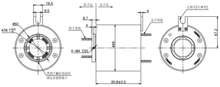
| 外形尺寸 | |||
