偲诺热电偶滑环有装配简单、更换方便、测温范围广(-270℃~2800℃)、测量精度高、热电偶类型可选等多项特点,其显著优势则为使用寿命长,不受环境温度变化影响。通常,有需要使用热电偶滑环的用户,最关注的是测温的准确性,而偲诺成熟的设计方案让用户体验到产品的高精确测量度,实现了特定条件下温度测量的功能。
ECN155-04S 产品特点
• 防护等级高
• 可露天使用
• 使用寿命长,免维护
• 可集成各种类型信号
可选项
• 通路数
• 电流大小
• 防护等级
• 集成信号类型
典型应用
• 污水处理
• 物料传送设备
| 电滑环技术参数 | |||
| 电 流 | 4*K型热电偶信号 | 防护等级 | IP54 |
| 电 压 | 380VAC | 工作温度: | -20℃~+60℃ |
| 绝缘电阻 | ≥100MΩ@300VDC | 工作湿度: | ≤60%RH |
| 耐压强度 | ≥300VAC@50Hz | 转 速 | 0~100rpm |
| 电阻波动值 | ≤70mΩ(50rpm) | 触点材料 | 铝合金喷砂氧化黑 |
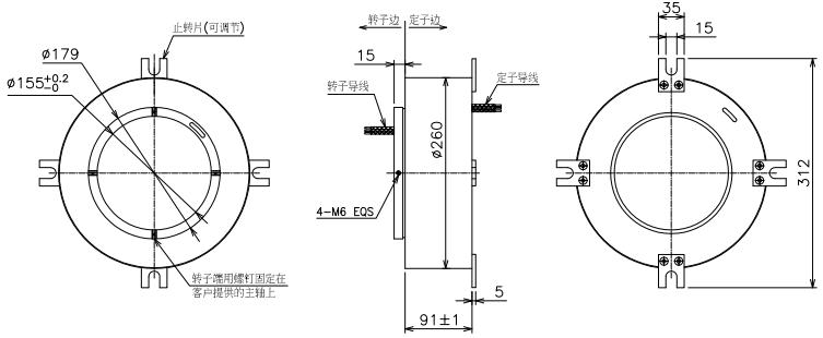
| 孔 径 | Ø155 | 导线规格 | K型热电偶线 |
| 外形尺寸 | |||
