偲诺热电偶滑环有装配简单、更换方便、测温范围广(-270℃~2800℃)、测量精度高、热电偶类型可选等多项特点,其显著优势则为使用寿命长,不受环境温度变化影响。通常,有需要使用热电偶滑环的用户,最关注的是测温的准确性,而偲诺成熟的设计方案让用户体验到产品的高精确测量度,实现了特定条件下温度测量的功能。
ECN180-1005-14S 产品特点
• 测量精度高
• 使用寿命长
• 测温范围广
可选项
• 通路数
• 热电偶类型
• 防护等级
• 集成信号类型
典型应用
• 自动化设备
• 石化设备
• 海工
| 电滑环技术参数 | |||
| 电 流 | 10路*5A,14路*信号 | 防护等级 | IP54 |
| 电 压 | 380VAC/24VDC | 工作温度 | -20℃~+60℃ |
| 绝缘电阻 | ≥500MΩ@100VDC(电流) ≥100MΩ@100VDC(信号) | 工作湿度 | ≤60%RH |
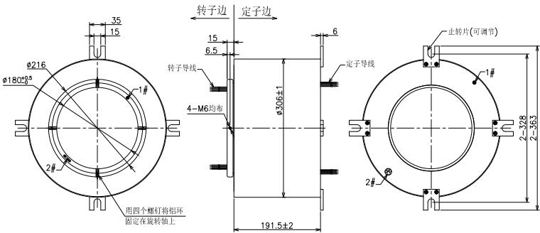
| 孔 径 | Ф180 | 转 速 | 0~100rpm |
| 电阻波动值 | ≤70mΩ(50rpm) | 触点材料 | 贵金属 |
| 耐压强度 | ≥1000VAC@50Hz(电流) ≥300VAC@50Hz(信号) | 导线规格 | AWG20#镀锡铁氟龙®UL 0.3mm2两芯双绞屏蔽线 0.3mm2六芯双绞屏蔽线 |
| 外形尺寸 | |||
