传统产品,成熟可靠,特有的T型过载保护装置,抗过载能力强。
可选择一体化标准信号输出,如4~20mA或0~5V三线制放大器。
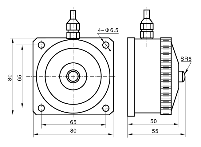
适用于皮带秤、配料秤等。
技术参数:
| 额定载荷 Rated Load | 30 N~1.5kN |
| 综合精度 Comprehensive Precision | 0.05~0.1%F·S |
| 灵敏度 Sensitivity | 2.0 mV/V |
| 蠕变 Creep | ±0.05 %F·S/30min |
| 零点输出 Zero Output | ±1 %F·S |
| 零点温度影响 Temperature Effect On Zero | ±0.05 %F·S/10℃ |
| 输出温度影响 Temperature Effect On Output | ±0.05 %F·S/10℃ |
| 工作温度 Operating Temperature Range | -20℃~+65℃ |
| 输入阻抗 Input Resistance | 380±10 Ω |
| 输出阻抗 Output Resistance | 350±3Ω |
| 绝缘电阻 Insulation Resistance | >5000 MΩ |
| 安全过载 Safe Load Limit | 150% F·S |
| 供桥电压 Bridge Voltage | 建议 10V DC |
| 材质 Material | 合金钢 Alloy Steel |
| 传感器接线方式 Load Cell Mode of Connection | 输入+:红Input+: Red 输入-:黑Input-:Black 输出+:绿Output+:Green 输出-:白Output-:White |
| 变送器接线方式 Amplifierl Modeof Connection | 电源:红Power : Red 公共端:蓝Public side: Blue 输出:白Output:hite |
