JPL1350系列偏光显微镜是利用光的偏振特性对具有双折射性物质进行研究鉴定的必备仪器。它在医学上有广泛的用途,如观察齿、骨、头发、及活细胞等的结晶内含物、神经纤维、动物肌肉、植物纤维等的结构细节,分析变性过程。也可以观察无机化学中各种盐类的结晶状况在自然光看不到的精细结构。
性能特点▲ 配置大视野目镜和消色差物镜,视场大而且清晰;
▲粗微动同轴调焦机构,粗动松紧可调,带限位锁紧装置,微动格值:2μm;
▲6V20W卤素灯透射照明,亮度可调;
标准配置
| 型号 | JPL-1350 | JPL-1350A | |
| 目镜 | 大视野WF10X(Φ18mm) | ||
| 物镜 | 消色差物镜 4X/0.10 | ||
| 消色差物镜 10X/0.25 | |||
| 消色差物镜 40X/0.65 (弹簧) | |||
| 消色差物镜 100X/1.25(弹簧,油) | |||
| 目镜筒 | 双目镜,倾斜30˚ | ||
| 检偏器 | 推拉式 Sliding | ||
| 调焦机构 | 粗微动同轴调焦, 微动格值:2μm,带锁紧和限位装置 | ||
| 转换器 | 四孔(内向式滚珠内定位) | ||
| 载物台 | 旋转式载物台(直径:Φ120mm) | 双层机械移动式载物台附加(Φ100mm)旋转式载物台 (尺寸:135mmX125mm 移动范围:75mmX35mm) | |
| 阿贝聚光镜 | NA.1.25 可上下升降 | ||
| 滤色片 | 蓝滤色片 | ||
| 磨砂玻璃 | |||
| 起偏器 | 可360˚旋转 | ||
| 集光器 | 卤素灯照明适用 | ||
| 照明系统 | 6V 20W 卤素灯,亮度可调 | ||
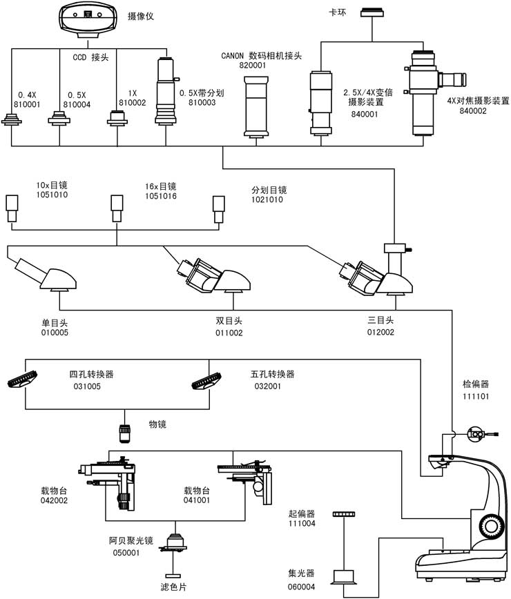
选配件
| 名称 | 类别/技术参数 | 编号 |
| 目镜 | 大视野 WF16X(Φ11mm) | 1051016 |
| 分划 10X(Φ18mm) 格值0.1mm/格 | 1021010 | |
| 目镜筒 | 单目镜,可360˚旋转,倾斜30o | 010005 |
| 三目镜, 倾斜30o 可同时观察与摄影 | 012002 | |
| 转换器 | 五孔 (内向式滚珠内定位) | 032001 |
| 滤色片 | 绿滤色片 | 115002 |
| 黄滤色片 | 115003 | |
| CCD接头 | 0.4X | 810001 |
| 0.5X | 810004 | |
| 1X | 810002 | |
| 0.5X带分划尺,格值0.1mm/格 | 810003 | |
| 摄像仪 | DV-1带USB和Video输出 | 800001 |
| DV-2带USB输出 | 800003 | |
| DV-3带Video输出 | 800005 | |
| 摄影装置 | 2.5X/4X变倍摄影装置带10X取景目镜 | 840001 |
| 4X对焦摄影装置 | 840002 | |
| MD卡环 | 840003 | |
| PK卡环 | 840004 | |
| 数码相机接头 | CANON(A610,A620,A630,A640) | 820001 |

