GLJ-1.5系列过滤灌装机是平版(胶印)油墨半自动过滤、装灌的专用设备,具有结构简单、使用维护方便、有利于控制产品质量等特点。由于采用了带过滤灌装方式,能显著提高所灌装产品的品质。GLJ-1.5系列过滤灌装机采用电动齿轮泵将料斗中物料送入袋式过滤筒,经滤袋过滤后通过管道由灌装头放料口输出。放料口的开闭采用气动控制(配以用电子秤实现定量灌装)。放料口闭合时,管道中多余物料通过回流管回到料斗中。利用此回料循环系统,也可以实现过滤、匀料的功能。过滤筒进料管路具有压力过载停机保护装置,以避免压力过高时损坏齿轮泵。过滤筒及管路具有带温度控制的加热装置(电热带),以适应冬季加热灌装的需要。本机底部装有移动滚轮,可任意位置移动使用。
本公司将根据市场和客户的需求,不断地改进和开发产品。本说明书如有变动,恕不另行通知。
机器的规格参数:
1、泵电机功率:1.5kW
2、使用电源:AC380V 50Hz
3、气源要求:0.4~0.8MPa
4、电热带功率:600W (温控推荐设置45℃)
5、灌装称重范围:0-6kg (Mettler-Toledo)
6、灌装泵型号:DAIDO TG8K DN2”
7、过滤筒型号:FSI BFN14
8、滤袋规格:4号袋 (推荐选150目或200目)
9、灌装头出口离地高度:1050mm
10、料斗上口离地高度:720mm
11、外形尺寸:1700×880×1650mm (长×宽×高)
12、重量:280kg
注意事项:
本机是半自动过滤、装灌的专用设备,请务必由熟练的操作人员调试及调整参数。使用前请仔细阅读本说明书,请您配合,以使本机使用更安全。若有疑虑,请直接联系我们,我们的业人员乐于为您提供服务。
●实施配线,请务必关闭电源。
●运转时,请勿检查电气零器件。
●所选用的电源电压必须与本机的输入电压规格相同。
●所接入的气源气压必须符合本机的规定。
●过滤筒进料管路压力过载停机保护装置出厂时已预置(P≤0.8MPa),切勿随意调节。
本机是用于化工原料生产过程的,用户在使用前应当按相关安全规定建立适当的安全和卫生防护措施并确定规章制度。与化工原料接触有关的安全问题应当由用户予以确立,不属本说明书的说明范围。
安装说明:
本机底部装有移动滚轮,可任意位置移动使用。用户按规定要求接入电源和气源,即可开始调试和使用本机。
选择性配备(需定货时另行说明)
可选配定位本机用的高低调节器。
可选配超声波液位控制器。
使用与维护:
(1)接通电源和气源(气源般控制在0.4~0.8MPa),合上电控箱内的空气开关,电源指示灯亮。
(2)插好灌装用电子秤信号线。
(3)将料送入料斗,按“泵开”按钮开启灌装泵,泵工作指示灯亮。
如选择“自动”控制方式(“手动、自动”旋钮转到“自动”档),按动灌装头旁的出料开关,“灌装指示”灯亮,物料流出;到预设称量,灌装将自动停止,指示灯灭。
若选择“手动”控制方式(“手动、自动”旋钮转到“手动”档),按电控箱上“灌装”按钮,“灌装指示”灯亮,物料流出;要停止灌料,必须按“停止”按钮,指示灯灭。
(4)电气控制箱上的“加热”请根据实际需要使用(带有可调温度控制器)。
(5)灌装秤的使用请参见灌装秤说明书。
(6)“急停”按钮用于紧急情况停止机器工作。
常见故障分析:
(1)如机器电流负载过大,电控箱上的空气开关会自动跳闸。查明原因后需重新合闸才可使用。
(2)灌装用电子秤的信号线不要随意拉扯以免影响电子秤的使用。
(3)过滤筒内的滤袋应适时更换,以免杂物过多使过滤筒内压力升高。(如果滤袋堵塞,过滤筒内压力将会超过设置的压力,机器自动停机。)
(4)料斗、灌装头放料口应经常清洗, 保持清洁无污。
(5)灌装工作完毕,关闭“泵停”按钮后请切断电控箱内的空气开关,拔下电源插头,做好设备的清洁保养工作。
(6)马达减速机应适时添加、更换润滑油。
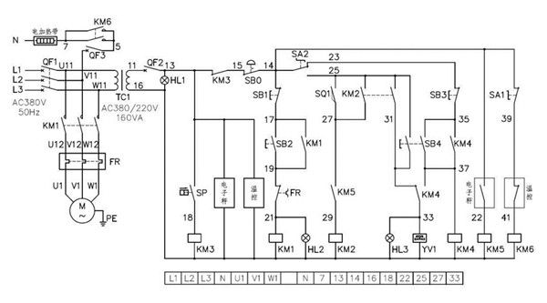
电气原理图:

操作面板按钮说明:

| 操作 | 功能说明 | |
| “急停”按钮 | 停止灌装机工作 | |
| “泵开”按钮 | 启动灌装泵 | |
| “泵停”按钮 | 停止灌装泵 | |
| “加热”旋钮 | 开启或停止加热装置 | |
| “手动/自动”旋钮 | “手动”档 | “自动”档 |
| “灌装”按钮 | 灌装头出料 | 点动补料 |
| “停止”按钮 | 灌装头断料 | / |
| 灌装头旁出料开关 | / | 灌装头出料 |
| 秤显示器设定 | / | 灌装头断料 |
注:秤显示器设定请参见秤随机说明书
外形图:

售后服务:
1、产品质量问题,在产品售出7天内提出异议并且产品未有损坏的,我司负责无条件免费退换货;
2、本产品全国联保,质保期:1年质保;
3、质保期内如有产品质量问题,免费维修;质保期外长期提供技术支持;
4、所有产品售后问题,请直接联系我司,我司售后服务团队会在30分钟内响应处理。