刮板细度计主要用于测定色漆和漆浆内颜料及杂质等颗粒的细度。本仪器是根据中华人民共和化学工业部涂料用器具检定规程JJG(化)018-96《刮板细度计》及其GB/T1724标准设计制造的。

材料:
不锈钢
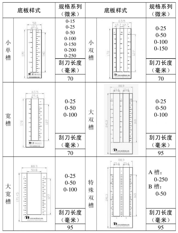
刮板细度计规格览表:

量程选择:
细度在30μm以下时,应用量程为50μm的刮板细度计;细度在30μm以上应用量程为100μm或150μm的刮板细度计。
技术参数:








使用方法:
使用时先用溶剂洗浸刮板和底,并用棉纱擦干,将符合产品标准粘度指标的试样用调漆刀充分搅匀。然后在细度计的沟槽深部分,滴入试样数滴,以能充满沟槽而略有多余为宜。然后以双手拇指食指及中指持刮刀。横置在刮板细度计上端,使刮刀与刮板细度计表面垂直,以适宜的速度将刮刀由沟槽深部向浅部拉过,使漆样充满沟槽而平板上不留有过多余漆,刮拉过后,立即(不超过5秒钟)横捏细度计并倾斜,使视线与沟槽平面成 15-30 度角对光观察沟槽中颗粒均匀显露处的刻度值,读数值即所测物之细度。
注意事项:
(1) 细度计与刮刀表面切勿碰伤。
(2) 使用后洗净并涂凡士林防锈。
(3) 测定细度时,应用符合产标准的清油调好再测定。
(4) 定期(年)检查刀口及细度计平直度,发现不平或细度计磨损后,必须经计量检定机关校正后才能使用。
售后服务:
1、产品质量问题,在产品售出7天内提出异议并且产品未有损坏的,我司负责无条件免费退换货;
2、本产品全国联保,质保期:1年质保;
3、质保期内如有产品质量问题,免费维修;质保期外长期提供技术支持;
4、所有产品售后问题,请直接联系我司,我司售后服务团队会在30分钟内响应处理。