晶片倒装推力试验机 TEST5000大行程推拉力测试机 MiniLED倒装剪切力检测
TEST5000大行程推拉力机设备优势
大行程XY轴行程0-650mm,适用于绝大部分大尺寸产品的测量范围。
分屏显示:上屏幕连接CCD,通过高清三目显微镜,可在显示屏上实时显示检测过程;下屏为软件页面,可实时显示力值分布图。
智能故障报警灯:当机器发生故障时,发出灯光报警,无声。
真空吸附:系统自带真空吸附功能,可根据产品尺寸,通过气管开关,控制夹具的吸附范围,确保晶圆吸附牢靠。
散热:设备自带散热功能,以保证机台温度控制在一定稳定正常运行。
移动设备:静音型万向重轮;当需要移动设备时,把设备支撑螺丝拧松单人亦可轻松移动设备。

焊接强度仪传感器更换方式:旋转优势:
旋转式模组:旋转盘内置三个不同量程传感器模组,满足不同测试需求。
三个工作传感器,采用高精度独立采集系统,结合独特的力学算法,强强结合,使数据更加稳定
采用高精度的机器人旋转臂部件,只需要在软件上选择工位,机台自动旋转至工作位,可根据需求,选配不同的传感器模组,无需人为手动切换测试模组;

TEST系列推拉力测试机产品优势
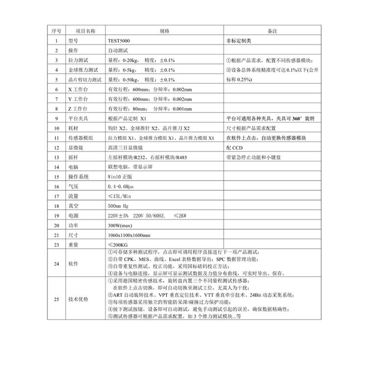
所用测试均经过检测公司测试,设备总体系统综合测试度达到0.1%以下(公开标称0.25%)
满足任何苛刻要求的ic制造工艺要求.
适用于led封装、半导体封装、汽车电子、太阳能产业及各研究所、院校、可靠性分析机构材料分析和电子电路失效分析与测试。
晶片倒装推力测试仪器软件功能:
①自主研发软件,每项传感器采用独立的智能防呆滞/碰撞过力保护功能;
②可存储多种测试程序,点击即可调用程序直接进行下一项产品测试;
③自带MES、CPK功能(可根据客户需求定制软件功能);软件终身免费升级;
④自带重复性测试、校正功能,采用国标砝码校正方法;
⑤设备与电脑连接,显示屏可一次显示10组测试数据及力值分布曲线,可实时导出、保存数据10万组;

