美国尼科NICO进口气动隔膜泵采用压缩空气为动力源,适用于各种腐蚀性液体,带颗粒的液体,高粘度、易挥发、易燃、剧毒的液体的输送。进口气动隔膜泵能抽送流动的液体,又能输送一些不易流动的介质,具有自吸泵、潜水泵、屏蔽泵、泥浆泵和杂质泵等输送机械的功能。
公称通径:10-100(mm)
流量范围:0-30(m3/h)
扬程范围:0-60(m)
功率范围:0.75kw-850kw
温度范围 :-40°C-200°C
1、不需灌引水,清水吸程可达7M,扬程达50M,出口压力≥6kgf/cm2。
2、流动宽蔽,通过性能好,允许通过大颗粒,直径达10mm,抽送泥浆、杂质时,对泵磨损甚微。
3、扬程、流量可通过气阀开度实现调节。(气压调节在1-7kg/cm2之间)。
4、该泵无旋转部件,没有轴封隔膜将抽送的介质与泵的运动部件,工作介质完全隔开,所输送的介质不易向外泄漏。
所以抽送有毒,易挥发或腐蚀性介质时,不易造成环境污染和危害人身安全。
5、不必用电,在易燃、易爆场所使用安全可靠。
6、可以浸没在介质中工作。
7、使用方便、工作可靠、开停泵只需简单地打开和关闭气体阀门,即使由于意外情况而长时间地无介质运行或突然停机,泵也不会因此而损坏。
8、结构简单、易损件少,该泵结构简单、安装、维修方便,泵输送的介质不会接触到配气阀,联杆等运动部件,不象其他类型的泵因转子、活塞、齿轮、叶片等部件的磨损而使性能逐步下降。
9、可输送较粘的液体。(粘度在1万厘泊以下)
10、本泵无须用油润滑,即使空转,对泵也无影响。这是该泵一大特点。
1、化工业:酸、碱、溶剂、悬浮物、分散体系等;
2、石化业:原油、稠油、油脂、泥浆、污泥等;
3、涂料业:树脂、溶剂、着色剂、油漆等;
4、纺织业:染料化学品、树脂、胶等;
5、陶瓷业:泥浆、瓷浆、石灰浆、陶土浆等;
6、饮料业:酵母、糖浆、浓缩物、气液混合物、葡萄酒、果汁、玉米浆等;
7、水处理:石灰浆、软性沉淀物、污水、化学品、废水等;
8、造纸业:粘结剂、树脂、油漆、油墨、颜料、双氧水等;
9、日化业:洗涤剂、香波、乳液、乳剂、手霜、表面活化剂等;
10、食品业:液态半固体、巧克力、盐水、醋、糖浆、菜油、大豆油、蜂蜜、动物血等;
11、电子业:溶剂、电镀液、清洗液、硫酸、硝酸、废酸、腐蚀性酸、抛光液等;
12、冶金、铸造和染色业:金属浆、氢氧化物和炭化物浆、灰尘洗涤浆等;
13、医药业:溶剂、酸、碱、植物提炼液、软膏、血浆等各类药品料液;
14、建筑业:水泥浆、陶瓷瓦粘结剂、岩石浆、天花板面漆等;
15、汽车业:抛光乳剂、油、冷却剂、汽车底漆、油乳胶、清漆、清漆添加剂、脱脂液、油漆等;
16、采矿业:煤浆、岩浆、泥浆、砂浆、浆、润滑油等;
17、家具业:粘结剂、清漆、分散体系、溶剂、色剂、白木胶、环氧树脂、淀粉粘结剂等。
1.介质温度≤100℃
2.动力源为洁净的压缩空气,进气压力4-7bar

1.进气口 2.配气阀体 3.配气阀 4.圆球 5.球座 6.隔膜 7.连杆 8.连杆铜套 9.中间支架 10.泵进口 11.排气口
| 流量 Flow (m3/h) | 扬程 Head (m) | 出口压力 Discharge Pressure (bar) | 吸程 Sucked Lift (m) | 允许通过 颗粒直径 Max Grain Diameter (mm) | 空气 消耗量 Max Air Consumption (m3/min) | 供气 压力 Max Air Pressure (bar) | 进出口尺寸 Inlet and Outlet | |
| 丝扣 Threaded | 法兰 Flanged | |||||||
| 0~0.8 | 0~50 | 6 | ≤5 | ≤1 | ≤0.3 | ≤7 | 3/8" | |
| 0~1 | 0~50 | 6 | ≤5 | ≤1 | ≤0.3 | ≤7 | 1/2" | |
| 0~2.4 | 0~50 | 6 | ≤5 | ≤2.5 | ≤0.6 | ≤7 | 1" | |
| 0~8 | 0~50 | 6 | ≤5 | ≤4.5 | ≤0.6 | ≤7 | 11/2" | |
| 0~12 | 0~50 | 6 | ≤5 | ≤8 | ≤0.9 | ≤7 | 50 | |
| 0~16 | 0~50 | 6 | ≤5 | ≤8 | ≤0.9 | ≤7 | 65 | |
| 0~24 | 0~50 | 6 | ≤5 | ≤10 | ≤1.5 | ≤7 | 80 | |
| 0~30 | 0~50 | 6 | ≤5 | ≤10 | ≤1.5 | ≤7 | 100 | |
单位换算:1L/min=0.06m3/h | 1bar=1kgf/cm2=0.1MPa | 注:以上性能参数为清水测试参数
( 注:★有 ∕ --无)
| 可选泵体材质 Available Material of Pump Body | 可选隔膜材质 Available Material of Diaphragm | ||||||||||
| 铸铁 Cast Iron | 铸钢 Cast Steel | 铝 合金 AL Alloy | 增强 聚丙烯 RPP | 偏二氟乙烯 PVDF | 不锈钢 Stainless Steel | 衬胶 Rubber Lining | 衬氟 Fluorin Lining | 丁腈 橡胶 NBR | 氯丁 橡胶 Neoprene | 聚四氟乙烯 PTFE | 聚全氟乙烯 FEP |
| ★ | -- | ★ | ★ | ★ | ★ | -- | -- | ★ | ★ | ★ | ★ |
| ★ | -- | ★ | ★ | ★ | ★ | -- | -- | ★ | ★ | ★ | ★ |
| ★ | -- | ★ | ★ | ★ | ★ | ★ | ★ | ★ | ★ | ★ | ★ |
| ★ | -- | ★ | ★ | ★ | ★ | ★ | ★ | ★ | ★ | ★ | ★ |
| ★ | -- | ★ | ★ | -- | ★ | ★ | ★ | ★ | ★ | ★ | ★ |
| ★ | -- | ★ | ★ | -- | ★ | ★ | ★ | ★ | ★ | ★ | ★ |
| ★ | -- | ★ | ★ | -- | ★ | ★ | ★ | ★ | ★ | ★ | ★ |
| ★ | -- | ★ | ★ | -- | ★ | ★ | ★ | ★ | ★ | ★ | ★ |
备注:(O为使用寿命较长,△为使用寿命一般,×为不可用)
| 隔膜品种 介质种类 | 丁睛橡胶 | 氯丁橡胶 | 氟橡胶 | 聚四氟乙烯 | 食品橡胶 |
| 发烟硝酸 | × | × | △ | △ | |
| 浓硝酸 | × | × | △ | △ | |
| 浓硫酸 | × | × | O | △ | |
| 浓盐酸 | × | △ | △ | △ | |
| 浓磷酸 | × | △ | △ | △ | |
| 浓醋酸 | × | × | × | △ | |
| 浓氢氧化钠 | O | O | △ | △ | |
| 无水氨 | △ | △ | △ | △ | |
| 稀硝酸 | × | × | O | △ | |
| 稀硫酸 | △ | △ | △ | △ | |
| 稀盐酸 | × | O | △ |
本泵振动极其轻微,一般情况可不装底脚螺栓。
如压缩空气有脏物进入,将会影响泵的正常启动,建议用户加装气动三联件。
在抽吸易冻结的介质时,应在泵的进口处装阀门,当停止用泵时,先将该阀关闭,然后再开泵数分钟,将泵体介质排净为止以免造成下次开泵困难。更换隔膜时,须将泵内腕连杆,铅套清洗干净,并不要损坏白色四氟密封圈,按原样装好,即可使用。
1、油罐清底,尽管有垫水法抽油,也不能保证将油抽净,表面总要剩下至少3-5mm厚的油层。以5000m3油罐为例,每次大约损耗1-1.5t油。对于有低位脱水槽的油罐,虽可将剩下的油和水排放到含油污水处理场回收,但是挥发的油品在输送过程中大都挥发殆尽,且污染环境。2、临时倒罐、装卸车和油品采样,炼油生产调度过程中,油品经常要临时倒罐、装车和对油罐中油品采样检验。或者为了不至于污染正常的管线时,用隔膜泵接临时管线可以迅速方便地完成此项任务。3、油轮仓底油回收一条3000t的油轮用固定螺杆泵卸油,仓库隔板之间至少要剩余50t油,若用排量较大的隔腆泵,可以收到很好的效果。4、瓦斯、硫化氢残液的输送炼油厂火炬底部的瓦斯残液和含硫水,需要集中排放和处理,否则会形成酸性腐蚀设备。5、陶瓷行业:用该泵抽吸釉浆,并可用于向压滤机送压。6、下水井、暗沟排除渍水、污油在下水井管道,阀门及暗沟检修时,需要排除渍水和污油。用潜水泵虽可抽尽溃水,但往往这些地方都远离电源,很不方便。使用隔膜泵则可采用压縮气瓶作动力,回收污油,排泄溃水。7、污水处理场和污泥池的清扫污水处理场的污泥池,常常聚积大量的油泥和淤沙,需要清扫,采用隔膜泵抽吸灵活、方便省工、省力、省时。8、液化气泵房和化验室排渍水,由于这些地方地势较低,又是一级防火区,采用隔膜泵排渍水比较安全,比用水抽子、汽抽子效率高出好多倍。9.此外,此泵应用于环烷酸精制转料,装车亚硫酸纳液体输送,苯类原料装卸车等方面都有它自己的优势。





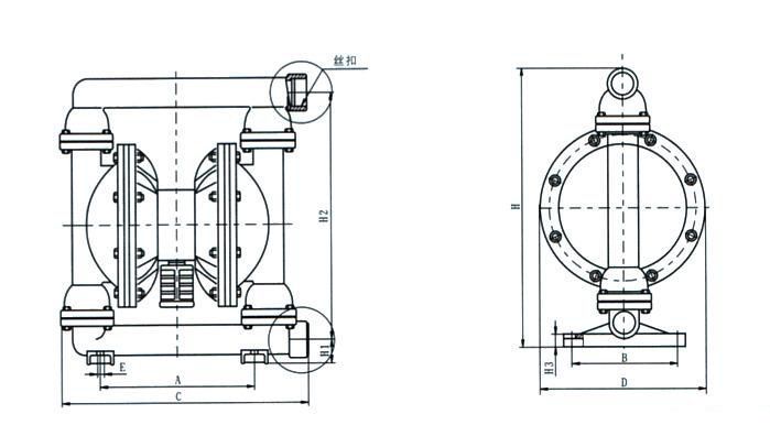
| A | B | C | D | E | H1 | H | 丝扣 | 备注 |
| 160 | 0 | 200 | 160 | 10 | 40 | 260 | 3/8” | 铸铁、不锈钢、铝合金 |
| 160 | 0 | 200 | 160 | 10 | 40 | 260 | 1/2” | |
| 180 | 155 | 300 | 200 | 10 | 40 | 400 | 3/4” | |
| 210 | 160 | 320 | 230 | 12 | 50 | 470 | 1” | |
| 210 | 160 | 320 | 230 | 12 | 50 | 470 | 11/2” |

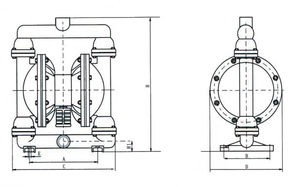
| A | B | D5 | D6 | C | H | H1 | DN1 | DN2 | n-d1 | n-d2 | D3 | D4 | E | n-d4 | 进气口 外径 | 备注 |
| 215 | 150 | 100 | 100 | 380 | 530 | 70 | 25 | 25 | 4-Φ11 | 4-Φ11 | 75 | 75 | 55 | 4-Φ10 | 10 | 工氟 程塑 塑料料, |
| 215 | 150 | 130 | 120 | 380 | 530 | 70 | 40 | 32 | 4-Φ13.5 | 4-Φ13.5 | 100 | 90 | 55 | 4-Φ10 | 10 | |
| 220 | 160 | 110 | 110 | 370 | 575 | 68 | 25 | 25 | 4-Φ11 | 4-Φ11 | 75 | 75 | 80 | 4-Φ12 | 10 | 铸 铁 、 不 锈 钢 、 铝 合 金 |
| 220 | 160 | 130 | 120 | 370 | 575 | 68 | 40 | 32 | 4-Φ13.5 | 4-Φ13.5 | 100 | 90 | 80 | 4-Φ12 | 10 | |
| 340 | 240 | 140 | 140 | 550 | 800 | 65 | 50 | 50 | 4-Φ13.5 | 4-Φ13.5 | 110 | 110 | 145 | 4-Φ17.5 | 12 | |
| 340 | 240 | 160 | 160 | 550 | 800 | 70 | 65 | 65 | 4-Φ13.5 | 4-Φ13.5 | 130 | 130 | 145 | 4-Φ17.5 | 12 | |
| 340 | 240 | 190 | 190 | 580 | 950 | 100 | 80 | 80 | 4-Φ17.5 | 4-Φ17.5 | 150 | 150 | 130 | 4-Φ17.5 | 14 | |
| 340 | 240 | 210 | 190 | 580 | 950 | 100 | 100 | 80 | 4-Φ17.5 | 4-Φ17.5 | 170 | 170 | 130 | 4-Φ17.5 | 14 |