发酵罐MBF-300ME
关注:1380
型号:MBF-300ME
品牌:EYELA
产地:上海
规格参数
型号:MBF-300ME产品代码:181180温度管理方式:夹层温水循环方式旋转输送方式/空气流通方式:磁性驱动、无防滑垫方式/环流方式温度调节范围:冷却水温+5~60℃(外部冷却装置使用时)转速范围:80~800rpm搅拌翼:搅拌翼+变形搅拌翼培养槽 内径×深度•容量:143×195·3L外形尺寸(mm):300×470×715电源:AC100V 50/60Hz 5A、500VA产品特点
1、 搅拌装置采用了防止细菌污染的磁性耦合搅拌驱动方式。
2、 对微生物作用小的水套。
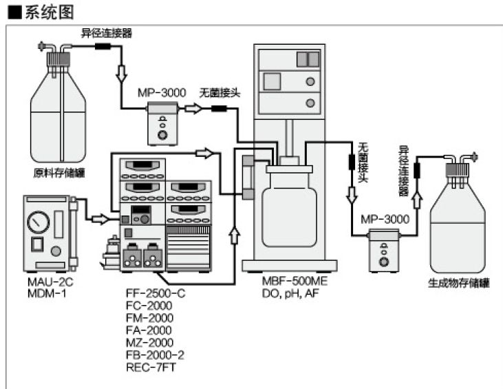
3、 通过连接程序控制器(EPC-2000型)或测量、控制装置,可对培养进行程序控制。

系统配置

| 产品名称 | 型号 | 产品代码No. |
| 发酵罐 | MBF-300ME | 181180 |
| 冷却水循环装置 | CA-1116A | 268446 |
产品发布日期:2026.05.13