上海蓉科智芯仪表制造有限公司
HZ2070B经济型差压变送器

查看原图
关注:1496
型号:HZ2070B
产地:上海
HZ2070B经济型差压变送器
HZ2070B经济型差压变送器是一种长寿命的工业级变送器,它的核心器件采用高性能进口压力传感器,经过精密的结构设计、合理的温度补偿,然后以线性扩大电路、V/I转换全密封焊接工艺制造出标准的(4~20)mA电流信号或标准电压信号。它采用2088(800)外壳设计,可带线性或液晶显示表头,外形精巧、美观、耐用,方便安装,可广泛应用于医疗、洁净室、实验室、电厂、空调等环境中的差压测量领域。

主要特点:

外形精巧,安装方便;

阻尼滤波设计使它受动压的影响小;

可同时用于差压、压力、负压测量;

可带低功耗、宽温区的LCD显示表;

零位、满度均现场可调;

高过载和高静压设计;

输出信号、电气连接和压力接口均采用标准化设计;

性能参数:

HZ2070B
技术参数
工作电源
15~36 VDC(标定电压24VDC)
测量介质
不导电、非腐蚀性、干净的气体
测量形式及范围
负压、表压、差压:(-100KPa)-(-100Pa)-0~100Pa-200KPa
过载能力
量程的2-3倍
长期稳定性
小于0.25%FS/年
输出信号
(4~20)mA(二/三线制)、(0~10)mA、(0~5)V、(1~5)V等
精度等级
0.25
工作温度
-30~70℃ ;补偿温度:-20~70 ℃
稳定性
小于0.25%FS/年
过程连接
A、宝塔嘴
B、外螺纹
C、用户约定
防护等级
IP65

产品选型表:

HZ2070B口E口A口C口经济型差压变送器
HZ2070B
经济型差压变送器

1、无显示 2、0~100%线性指示 3、LCD数字显示(液晶) 4、LCD数字0~100%显示(液晶) 5、LED数码管显示

E口
输出信号:1、二线制(4~20)mA 2、(0~5)VDC 3、(0~10)mA 4、其它注明

A口
精度:1、0.25 2、0.5

C
过程连接方式:1、宝塔嘴接口 2、外螺纹M20×1.5(默认) 3、外螺纹G1/2 4、外螺纹NPT1/2 5、其它注明

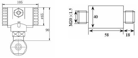
外形图片及尺寸:

产品发布日期:2026.03.20
上海蓉科智芯仪表制造有限公司