上海蓉科智芯仪表制造有限公司
HZ2080数字型压力开关表变送器

查看原图
关注:1611
型号:HZ2080
产地:上海
HZ2080数字型压力开关表 变送器
HZ2080数字型压力开关表 变送器是一种集压力测量、显示、控制于一体的产品。该产品可用于测量各种气体、液体等介质的压力,同时可设置报警点,实现压力连续测量和开关量控制。当压力达到预定值时输出控制信号,接通或关闭被控设备,从而实现自动化控制的目的。该产品具有精度高、迟滞可设、响应快、性能稳定可靠、易操作和安装简便灵活的优点,是微电脑技术用于压力自动控制的高技术产品。
该产品也是传统指针式电接点压力表的替代产品,该产品的特点是:
1、寿命高。该产品是微电脑数字化仪表,采用双稳态控制电路,无机械摩擦,可连续工作十万余次。
2、接线简单,成本低。该产品只需一个接触器,无需各种保护装置,很大程度上解决了接线难的问题;采用双稳态控制电路,接触器不会产生抖动,因而不容易损坏接触器和被控设备。单继电器输出,降低了成本。
3、耐震。该产品能长时间在震动的环境下工作,显示直观,不会造成视觉误差。
技术参数:
工作范围:0-0.1/0.25/0.6/1.0/1.6/2.5/6/10/16/25/40/60/100MPa
精度:0.5%
控制输出:继电器信号(SPDT单刀双掷,全量程范围内可设定)
触点容量:220V/3A
功耗:1w
输入电压:12V/24V/220V/380V
压力接口:M20*1.5(接口可定制)
接液材质:304不锈钢
显示单位:MPa/KG/PSI
工作温度:-20℃-70℃
补偿温度:-10℃-60℃
不同型号产品的功能与特点:
HZ20801K:工作原理:达到上限停止(断开)工作,达到下限开始(接通)工作。
2根电源线,2根控制线。电压分为:12v /24V /36V /220V/380V可选。
量程:0-(-0.1)/0.1/0.25/0.6/1.0/1.6/2.5/3.0/5/6/10/16/25/40/60/100MPA。
HZ20802K:该产品是在HZ20801K的基础上进行了品质升级的**代产品。它除了具备与HZ20801K相同的优点之外,又增加了诸多保护功能。
2根控制线,2根电源线。电压分为:12v /24V /36V /220V/380V可选。
量程:0-(-0.1)/0.1/0.25/0.6/1.0/1.6/2.5/3.0/5/6/10/16/25/40/60/100MPA
单向阀损坏保护功能:HZ20802K的日工作次数的累计分析功能会将设备每天的工作次数累计分析,发现异常后会提出报错并停止工作,工作人员可凭仪表的报错对设备进行检修。
供水设备异常,管道崩裂以及井水抽干的保护功能:HZ20802K设计了时间分析功能,通过对shou次供水时间和达到压力峰值的时间进行分析,并与常规设置进行对比,会检测出因供水设备异常或管道崩裂而造成的压力升值时间异常,也会检测出井水抽干而导致的达到峰值时间异常,仪表便会报错并停止运转,以防止引起设备损坏,造成不必要的经济损失。
HZ20803K: 工作原理和HZ20801K相反:达到上限开始工作,达到下限停止工作,可以保证整个供水系统不会被抽成负压。
2根控制线,2根电源线。电压分为:12v /24V /36V /220V/380V可选。
量程:0-(-0.1)/0.1/0.25/0.6/1.0/1.6/2.5/3.0/5/6/10/16/25/40/60/100MPA
HZ20804K:是空压机专用数字压力表。下限(低位)启动,上限(高位)停止,上上限(上上位)报警,当高于设定报警开,低于设定报警关,低于下限报警解除。
产品功能是:实时显示压力,可设定上下限值,下限启动,上限停止,输出开关信号,压差可调(生产厂家可以调压差,设密码),设最高可调上限(厂家可调设密码),保护上限可设输出开关信号(设密码),压力表厂家设最高报错并保护。
2根电源线,3根控制线(上限,下限,公共点),电压分为:12v /24V /36V /220V/380V可选
量程:0-(-0.1)/0.1/0.25/0.6/1.0/1.6/2.5/3.0/5/6/10/16/25/40/60/100MPA
HZ20805K:功能和接线方式和传统的电接点压力表是一样的,可实现上下限常开或者是上下限常闭的功能。一个上限点一个下限点,加一个公共点。其工作原理是:低于下限或者等于下限,下限触点闭合,高于上限或者等于上限,上限触点闭合。
2根电源线,3根控制线(上限,下限,公共点)。电压分为:12v /24V /36V /220V/380V 可选
量程:0-(-0.1)/0.1/0.25/0.6/1.0/1.6/2.5/3.0/5/6/10/16/25/40/60/100MPA
HZ20806K:有延时功能的。当压力达到上限或者是下限,停止和工作可以延时1-99秒,为了保护继电器不频繁启动报错。
型号后缀举例说明:
HZ20801K是指外径80mm塑料外壳表盘(径向)
HZ20801KB是指外径80mm不锈钢外壳表盘(径向)
HZ20801KB-ZT是指外径80mm不锈钢外壳表盘(轴向)
HZ20801-100K是指外径100mm塑料外壳表盘(径向)
HZ20801-100KB是指外径100mm不锈钢外壳表盘(径向)
HZ20801-100KB-ZT是指外径100mm不锈钢外壳表盘(轴向)
其它如HZ20802/3/4/5/6的后缀含义是一样的。
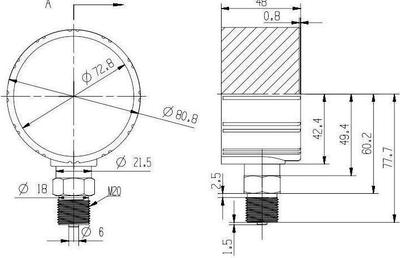
尺寸图

产品发布日期:2026.05.12
上海蓉科智芯仪表制造有限公司