本设备是用于产生脉冲信号和高压直流信号的试验仪器。
一、产品概述:
1950S型脉冲发生器(Pulse Tester),是用于产生脉冲信号和高压直流信号的试验仪器。
此仪器按 GB4943.1-2011(IEC60950-1:2005,MOD) 标准的附录N.1要求以及GB8898-2011(IEC60065:2005)标准的附录K.1要求进行设计制作,对各类信息技术设备进行模拟通信网络中的闪电干扰和模拟配电系统中的瞬态电压,属电气安全试验仪器设备。
1950S型脉冲发生器选用松下PLC可编程控制器(FP-X C14R)控制,所有参数和仪器的工作状态都在台湾威伦通7寸彩色触摸屏(TK6070iH)上显示和设置,中英文菜单界面;该仪器还具过压保护,确保仪器工作的安全可靠性,可广泛应用于电气安全检测实验室和电子、电器制造企业。
二、技术指标:
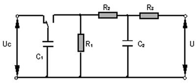
试验网络电路图:
GB4943.1-2011(IEC60950-1:2005,MOD) 标准的附录N.1中的试验网络电路图

注:
1)上图中的电路用来产生脉冲电压,所用元器件数值见下表,电容器C1起始状态被充电压Uc。
10/700μs(10μs为视在波前时间,700μs为视在半峰值时间,其波形见图9所示,T1为视在波前时间,T为视在半峰值时间)的脉冲试验电路是用来模拟通信网络中的闪电干扰。
2)1.2/50μs (1.2μs为视为在波前时间,50μs为视在半峰值时间,其波形见图9所示)的脉冲试验电路是用来模拟配电系统中的瞬态电压。
3)脉冲波形是指在开路条件下的波形,在不同的负载条件下波形是各不相同的。由于大量的电荷储存在电容器C1内,因此在使用这些发生器时需要十分小心。