MIK-DFG分体式超声液位/物位计是测量一个超声波脉冲从发出到返回整个过程所需的时间。超声波液位计垂直安装在液体的表面,它向液面发出一个超声波脉冲,经过一段时间,超声波液位计的传感器接收到从液面反射回的信号,信号经过变送器电路的选择和处理,根据超声波液位计发出和接收超声波的时间差,计算出液面到传感器的距离。分体式超声波液位计广泛用于罐体、水池、水库的液位和体积测量,也可用于明渠的流量测量。
产品应用



产品特点
可在不同环境中进行距离准确度在线标定,量程起止点、输出模拟量类型方式,液面窗口锁定值均可键盘设定。
自动跟踪环境温度对距离值实行补偿。
具有2-4路限值设定,可用于液位段式或位式控制(选购)。
具有RS485/232串行数据输出或4-20mA/0-20mA模拟量输出或1-5V/0-5V模拟量输出(选购)。
具有“回波智能识别”功能和“中斜率”数字滤波功能。
针对小同测量目标,用户可从100次-0.1次/秒设定检测周期;
具有增值/差值测距模式选择,既可测距也可测位。
可通过键盘操作,在夜间时打开LCD显示的背光灯,便于观看调试,也可在工作中关闭显示,以节省能源。
具有1一15级发射功率选择,可根据工况环境随时设定修改。
具有温度补偿、窗口锁定及抗干扰纠错功能、介质声速调整等功能(订货时选购)。
具有满量程起点和终点任意数字化平移的功能。
具有声波渡越区温差补偿人工数码修正平台。
具有4mA,20mA数字化微调功能,调试非常方便快捷。
LCD显示时,显示信息十分丰富,从物位、重量、温度、到电流、电压、限值开关状态等信息全部显示在液晶屏上,使用户对仪器工作状态了如指掌。
串日数据发送既可点对点发送,也可总线式发送。
产品参数

产品选型

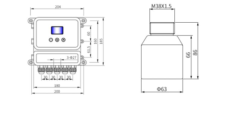
产品尺寸


产品接线
