PH/ORP测试仪是一款智能在线化学分析仪器之一,是一款广泛应用于火电、化工化肥、冶金、环保、制药、生化、食品和自来水等溶液中PH值或ORP值和温度的连续监测。
连续监测数据通过变送输出连接记录仪实现远传监控与记录,也可以连接RS485接口通过MODBUS-RTU协议可方便联入计算机实现监控与记录。

现场实际应用



产品特点





产品参数




产品选型

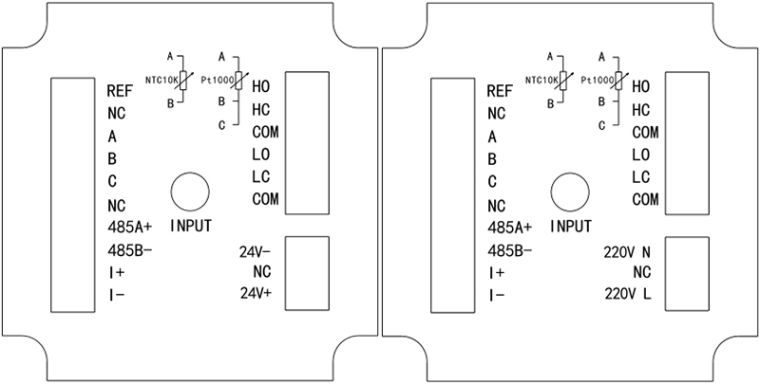
产品接线

■INPUT:电极测量端
■REF:电极参比端
■NC:未定义
■A: 温度补偿端A
■B: 温度补偿端B
■C: 温度补偿端C,PT1000 三线制的温度地,接 PT1000 两线制需短接到 B,接 NTC10K 时 C 端悬空
■RS485(A+):RS485通讯接口A+
■RS485(B-):RS485通讯接口B-
■4-20mA(+):4-20mA输出端+
■4-20mA(-):4-20mA输出端-
■AC220V(L):AC220V火线,220V N/24V-: AC220V 电源接线端 / DC24V 电源接线端负
■220V L/24V+: AC220V 电源接线端 / DC24V 电源接线端正
■HO:高报常开继电器
■HC:高报常闭继电器
■LO:低报常开继电器
■LC:低报常闭继电器
■COM:继电器公共端
安装方法
在仪表柜或安装面板上开出一个92.5*92.5的安装孔
将仪表插入安装孔然后扣上蝴蝶扣,如下图所示

电极安装

