是根据“煤样的制备方法”GB474 要求,在原机器的基础上做了较大改进。该机主要用于煤炭和其他块状物料的试样制备,可连续完成筛分、破碎和缩分三道工序。特别适合制样量比较大的试验室使用。因此广泛应用于煤炭、地质、冶金、建材、电力、化工等系统试验室,是一种联合制样设备。
主要特点:
一是将格槽数量和宽度改动后,使物料下落更流畅,不易堵塞。
二是传动结构改进后,降低噪声,维修方便,工作可靠。
技术参数:
入料粒度:≤60mm
出料粒度:≤1~13mm,可调
适应水分:≤11%(收到基全水分)
缩分比:1:9
准确度:≤6mm,0.4%,≤13mm,0.7%
制样效率:≤13mm,300~600kg/h ,≤6mm,200~300kg/h
缩分比:1/2,1/4,1/8 可调
电源:三相AC 380V,50HZ
电机功率:1.5KW
重量:约400kg
外形尺寸(长×宽×高)mm:1100×590×1160
工作原理:
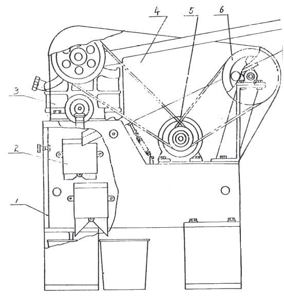
该机共用机体、缩分器、破碎机器、振筛器、电机和机诫传动等六部份组成如图(一)。机体是一个联合整体,振筛器起到自动给料和筛分两项功能,小粒度料直接进入缩分器,大粒度料送入破碎机,待破碎后再送入缩分器。缩分器有两组三分器,组成两级缩分,一级缩分有五个格槽,中间一个为取样槽,由于给料口宽度和缩分器运动距离都等于三个格槽宽度,保证了缩分器运动到任何位置上,都包括中间格槽,而且只有三个格槽宽度缩分,达到取样三分之一,舍弃三分之二目的,使物料在不同时间、不同部位均匀有规律地采取试样,使所取试样能代表全部送入机器的物料。二级缩分有三个格槽,通过二级缩分达到九分之一目的。

图一 联合制样机结构原理图
1,机体 2,缩分器 3,破碎机器 4,振筛机 5,电机 6,机械传动