奥谱天成(厦门)科技有限公司
ATP3040超高分辨率,低噪声微型光纤光谱仪(4096像素)

查看原图
关注:1331
型号:ATP3040
产地:厦门

描述

ATP3011P系列是奥谱天成**研制的高分辨率光纤光谱仪,其探测器像素高达4096个,响应范围覆盖UV至NIR波段(180-1100 nm)。光路、电路、信号处理方法均进行了深度优化,从而实现了超高分辨率、超低噪声的性能。

采用TE深度制冷的ATP3011P,进一步提高了信噪比和动态范围。

ATP3011P只需一个5V直流电源供电,数据输出接口有USB2.0或者UART,便于集成使用。

型号

探测器像素

探测器是否制冷

ATP3000

2048像素

探测器非制冷

ATP3040

4096像素

探测器非制冷

特征

l 探测器像素:4096

l 超高分辨率:最低至0.01nm

l 高灵敏度:650V(lx•s)

l 响应范围:180 - 1100 nm

l 探测器制冷温度:0 ℃

l **读出速率:10 MHz max

l 光路结构:交叉C-T

l 积分时间:1-65535 ms

l 供电电源:DC 5V±10% @<2A

l 光输入接口:SMA905或自由空间

l 数据输出接口:USB2.0(High speed)或UART

应用

l 微量、快速分光光度计

l 光谱分析/辐射分光分析/分光光度分析

l 透过率、吸光度检测

l 反射率检测

l 波长检测(紫外、可见和短波近红外)

l 椭偏仪

图1ATP3010P的噪声性能

图2ATP3011P(制冷型)的噪声性能

图2:长焦长、Czerny-Turner全反射式光学设计

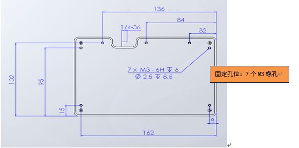
机械尺寸

电气接口

产品发布日期:2026.05.12
奥谱天成(厦门)科技有限公司