典型应用场景
远方GO-R5000全空间快速分布光度计集近场、中间场和远场分布光度计等更多强大功能于一体,可用于室内照明灯具、投光灯、道路灯、汽车灯、交通信号灯的光源及灯具的空间光度分布和总光通量测试。配备成像亮度计和光谱辐射计,可测量光源的空间亮度分布和空间光谱颜色分布。

主要特点
一、国际公认的高端反光镜式分布光度计
经由院士领衔的国内权威专家组鉴定,获“国际**”评价;受德国杂志(LICHT)报道,获“中国专利优秀奖”、中美德三国发明专利授权。

二、总光通量的最高精度测量
位于近场探测器的光度探头,可以使用CIE推荐的照度积分法实现各种灯具和光源的总光通量的最高精度测量,在各主要发达国家的光度实验室中就是用这种方法实现国家总光通量的国家基准。

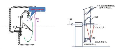
三、保证光源的**稳定
被测光源在测量中始终保持静止状态,实现被测光源和灯具**稳定工作状态,避免因运动而带来的诸多不稳定因素,在测量对温度和转动比较敏感的灯,该分布光度计中的光源稳定度比一般中心旋转式分布光度计高约10倍左右。

四、极快的测量速度
系统采用探头旋转的测量方式,避免了被测灯绕水平轴的旋转,且被测灯的运转可以十分高速,精密的传动机构和高速角度编码系统能在保持高精度的条件下实现比一般分布光度计快6倍左右的测量速度。
五、灵活配置方案实现多场多功能测量
远方GO-R5000分布光度计可进行灵活配置,能根据客户的实际需求,配置多个不同探测器,以实现近场、中间场和远场光度测量。拥有1台全空间分布光度计相当于拥有多台不同功能的分布光度计的组合,可实现六合一的功能。

六、极宽动态测量和高灵敏度测量
可靠和简便易用的机载多探测器设计,远方GO-R5000可实现极宽的动态范围的测量和高灵敏度的探测能力,比同等中心转镜分布光度计的动态范围宽约100倍。

七、极低杂散光水平
系统采用多项远方专利技术,能避免光线在狭窄的空间内产生多次反光影响探测器测量,同时采用精密设计消光长筒和挡光光阑实现了性能优越的消杂散光效果。

八、节省空间和改造成本
系统采用非常巧妙的双镜设计,相比其他旋转式反射镜分布光度计降低了暗室空间的尺寸要求和减少了改造的成本。

九、可搭配空间颜色、空间亮度测试功能
可实现各种光源、灯具空间颜色分布、平均颜色特性及空间不均匀性测量,同时可实现各种光源空间亮度分布测量。

主要技术指标
