典型应用场景
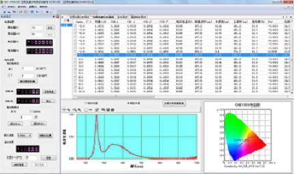
GO-SPEX100空间光谱分布测量仪集合LED光、色、电综合测试功能,且内置精密温控平台,可实现LED的精确控温,不仅用于测量特定温度下LED的光色参数,还可以测量其光色性能随温度变化的特性。测试参数包括:空间光强分布曲线、光通量、空间光谱分布、相对光谱、**光谱、颜色参数、正向电流和正向电压等

主要特点
一、满足CIE对LED光源测试距离要求
可提供CIEpub.No.127条件A、条件B以及1米的标准测试距离,实现LED空间光强以及空间光谱分布的精确测试,并分析获得各项参数。

二、暗箱式设计,节省空间及成本
采用独特的暗箱式设计,在满足标准要求下有效节省实验室使用空间及降低客户实验室成本。
三、内置温控平台,精确测量LED光色电性能
内置温控平台:精确控温,以获得LED光色电性能随温度的变化,为LED设计应用提供指导性数据。

主要技术指标
