典型应用场景
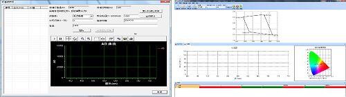
FLT-20荧光器亮度因子测试系统专用于机动车用三角警告牌与车辆尾部标志板,可实现其荧光器部分的光度与色度检验,具有极好的稳定性与重复性,且安装简便,满足实验室与测量机构的测试需求,配备专用分析软件,可得到警告牌与标志板荧光器的亮度系数、色坐标、光谱等参数。满足GB25990-2010《车辆尾部标志板》、GB/T18833-2012《道路交通反光膜》等标准要求。

主要特点
1、专业测试三角警告牌和车辆尾部标志板荧光器部分的光度和色度,并准确获取亮度系数、色坐标、光谱等参数。

2、能够方便测量,定标之后可以一键完成产品测量。

主要技术指标
