什么是数据挖掘型示波器?
捕获512M海量的波形大数据,配合深层次数据挖掘能力,基于全触屏和流畅的操作体验,以一种全新的分析方式定位问题,这就是数据挖掘型示波器!

![]() | ![]() |
数据挖掘**步:512M大数据存储
存储深度等于采样率乘以采样时间,512M大存储深度,长时间捕获波形,依然不会出现波形失真。
![]() | ![]() |
不同存储深度下的采样率和时间档位对应表
| 波形时间档位 | 512M存储下的采样率 | 10M存储下的采样率 | 2M存储下的采样率 |
|---|---|---|---|
| 5ms/div | 4G Sa/s | 200M Sa/s | 40M Sa/s |
| 50ms/div | 500M Sa/s | 20M Sa/s | 4M Sa/s |
| 500ms/div | 50M Sa/s | 2M Sa/s | 400K Sa/s |
数据挖掘**步:1M刷新率异常捕获
波形刷新率越高,死区时间就越短。ZDS4000系列示波器,标配1M次波形刷新率,配合模板触发,让您最大概率的发现并捕获异常信号。
![]() | ![]() |
不同刷新率对应的异常捕获时间
| 异常出现频率 [次/秒 ] | 波形刷新率 [帧/秒 ] | |||
|---|---|---|---|---|
| 0.1K | 10K | 100K | 1M | |
| 100 | 1h:22m:14s | 49s | 4.9s | 0.49s |
| 10 | 13h:42m:21s | 8m:13s | 49s | 4.9s |
| 1 | 5d:17h:3m:31s | 1h:22m:14s | 8m:13s | 49s |
| 0.1 | 57d:2h:35m:11s | 13h:42m:21s | 1h:22m:14s | 8m:13s |
注:以上条件为4GSa/s采样率,10ns/div,错误检出的概率99.9%。
数据挖掘第三步:参数测量
不同于传统示波器只测一个周期,或通过抽样减少数据量再测量的模式,ZDS4000系列示波器通过FPGA全硬件并行处理,基于原始采样率和512Mpts全存储深度,对每一帧波形每一周期进行测量统计,仅需约1秒即可实现对512Mpts数据的“真正意义”参数测量,测试项目可达50余种,并且支持24种参数同时显示。这与传统意义示波器的测量有着本质的区别,也是示波器测试手段与测试方法的突破。

数据挖掘第四步:波形搜索与智能标注
ZDS4000系列示波器不只提供了512M的波形大数据,还配有强大的波形搜索功能和智能标注功能。您可以先通过边沿、脉宽、欠幅、上升/下降时间、周期/频率等多种搜索条件来定位512Mpts波形数据中的异常点,再对找出的异常信号使用标注功能,对异常信号进行标注。这里,所有的测量都是经过FPGA全硬件加速,整个过程1S左右即可完成。再对找出的异常信号使用标注功能,对异常信号进行标注。

分析插件与特色功能
|
![]() 不同于每一种分析插件单独付费的形式,ZDS4000系列示波器所有分析插件全部标配,可以针对兴趣波形进行更进一步的深度分析,大大提高整体系统信号的故障调试效率,协助工程师快速定位出问题。 |
|
![]() ZDS4000系列示波器每个通道都内置有从50Hz到200MHz范围的滤波器,特别适用于过滤掉无用信号、观察特定带宽信号的场合,而且支持对滤波之后的波形进行触发和测量分析。 |
|
![]() ZDS4000系列示波器支持双ZOOM模式,可以为两个缩放窗口分别设置缩放系数,所以可以同时显示两个不同时间轴范围的缩放波形,配合触屏和大旋钮的便捷操作,也能够轻松对各个窗口的波形进行控制。 |
|
|
|
![]() ZDS4000系列示波器支持波形通道之间的自定义运算功能,并不只是简单的通道间加减乘除,而是自定义波形表达式进行运算。假设1通道输入了电压波形,2通道输入了电流波形,那么只需要设置表达式为Intg(CH1*CH2)就可以直接得到能量曲线。所有运算都基于FPGA全硬件加速,运算波形在几百毫秒之内即可呈现。 |
|
![]() 市面上多数示波器最大只支持8K样本点的FFT分析,在1G采样率的情况下,频率分辨率仅有125KHz,多数情况都无法准确判断信号频谱分布。ZDS4000系列示波器拒绝单纯的功能堆砌,内部采用了专业的处理芯片,突破技术壁垒,将FFT分析点数升级至4M样本点,同样在1G采样率的情况下频率分辨率能精确到250Hz,可以准确分析出电路中的干扰噪声来源,大大提高了示波器FFT的实用价值。 |
|
![]() 对于数据挖掘型示波器而言,不仅可以利用示波器强大的分析功能在示波器上进行分析,还可以通过以太网将512M的波形大数据导出到PC端,使用示波器标配Wave Analyze波形综合分析软件进行进一步的离线分析。 |
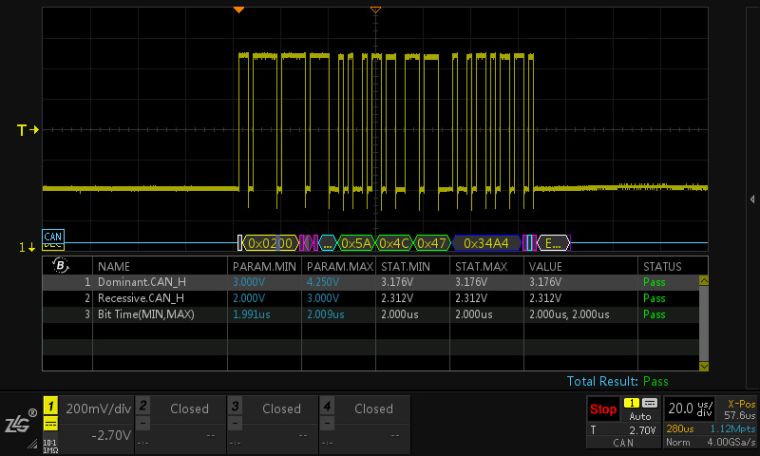
时序分析
ZDS4000系列示波器免费标配时序分析功能,支持自定义参数配置对I2C、I2S、SPI、MIPI-RFFE、CAN、Reset、Switch进行分析处理。自动分析多个波形中最差情况是否满足标准,可直接筛选某个特定节点并直接生成附带截图的报告。

环路测试
致远电子 ZDS4000系列示波器支持环路测试分析软件。相对于几十万的专业环路分析仪器,内嵌的环路测试分析软件不仅有完善的环路测试方法和精准的测量精度,并且对测试操作和用户体验进行了创新性地设计。

电源分析
开关电源的质量直接影响到产品的技术性能以及其安全性和可靠性。电源测试项目多,计算量大,统计繁琐等问题一直困扰着工程师们,为了解决这些问题,致远电子在示波器中增加开关损耗、SOA、电感测试等电源分析功能。如在电感测试功能中可直接对电感、有功功率等项目进行计算,方便工程师快速、准确地测试电源产品。

技术参数
| 型号 | ZDS4024 Plus |
|---|---|
| 模拟带宽 | 200MHz |
| 采样率 | 4GSa/s |
| 输入通道 | 4 |
| 最大存储深度 | 512Mpts |
| 最大波形刷新率 | 1000,000wfms/s |
| FFT点数 | 4M |
| 时基范围 | 500ps/div-1Ks/div |
| 输入灵敏度范围 | 2mV/div-10V/div |
| 自动测量 | 54种 |
| 显示器 | 9英寸触摸屏 |
| 高级分析功能 | 电源分析、环路测试、时序分析、模板测试 |
| 协议解码 | 41种,CAN、LIN(LIN1.3、LIN2.0)、FlexRay、MVB、CAN-FD、SENT、 WTB、1-WIRE、I2C、SPI、UART、I2C device、USB1.1(USB2.0全速)、PS/2、Manchester、DiffManchester 、WIEGAND、Miller、ISO7816、DALI、MIPI-DSI、NEC红外传输协议分析、Philips RC-5、Philips RC-6、ModBus、RS485、RS232(485和 232使用 UART解码)、DS18B20、SHT11、DHT11、I2S、TDM、MIL-STD-1553B、HDQ、SD-SPI、SD-SD、USB-PD、QC2.0/3.0、MDIO、MIPI-RFFE、SPC |
标配件
| 配件名称 | 描述 | 实物图 |
|---|---|---|
| ZP1010SA探头 | 每通道标配1:1/10:1 100M无源电压探头 (ZDS1000系列示波器标配) | ![]() |
| ZP1025SA探头 | 每通道标配 1:1/10:1 250M无源电压探头 (ZDS2000B系列、ZDS3024示波器标配) | ![]() |
| ZP1050探头 | 每通道标配10:1 500M无源电压探头 (ZDS3000Plus/4000Plus系列示波器标配) | ![]() |
| 电源线 | 用于示波器供电 | ![]() |
| USB通信线缆 | 实现PC和示波器通信 (不属于1000系列示波器标配件) | ![]() |
| 光盘资料 | 产品相关电子版资料 | ![]() |