智能插座测试仪,能够发现N-E反向连接检测的困难
•只需插入插座并按下测试按钮,即可轻松测量.
•只需1秒,您就可以检查电压、接线是否正确以及插座的线路、中性点和接地极性.
• KEW 4506可用于TT接地系统,并与KEW 8343结合使用,也可用于TN-S。(见测量原理)
•用于避免RCD跳闸的低测试电流测量.
技术规格
为什么中性点接地反向连接存在问题?如果在未意识到N-E反向连接错误的情况下使用插座,上游RCD将跳闸,导致电源关闭.
但是,如果电路没有RCD保护,大负荷电流会流入接地导体,从而导致触电和火灾危险.
万用表判断
用万用表测量时,即使N和E反向连接,电压也会与正确连接时的电压相同,无法发现接线错误.

我们的智能插座测试仪KEW 4506可以解决这些问题!
Measurement principle For TT SystemIf the Earth system is TT and the circuit is protected by an RCD with rated current of 30mA or more,
N-E Reverse can be detected by KEW 4506 alone.
In this case, to check if the N-E wiring is correct, KEW 4506 measures the resistance between L-N and the resistance between L-E respectively.
Normally in TT system, the L-N resistance is mainly due to the wiring conductors resistance only.
On the other hand, the L-E resistance includes also the consumer earth resistance (RE1 and RE2), so the L-E resistance is higher than just the L-N resistance.

RL+RN < RL +(RE1+RE2)
KEW 4506 detects N-E Reverse checking the difference of these resistance values.
Therefore, if the L-E resistance is extremely low, the Reverse connection of N-E may not be detected.
Also, a 10mA RCD may trip because a test current around 10mA is used to measure the resistance.
In above cases, we suggest to use KEW 8343 (Signal source) together with KEW 4506.
It will not be effected by the extremely low L-E resistance and any RCDs will not trip as the test current flowing between N-E is less than 1μA.
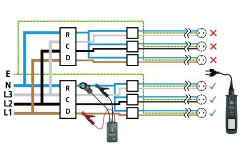
For TN system
To test wiring systems with low resistances such as TN, building structure, and common earth systems, connect KEW 8343 to the location close to the branch circuit breaker to which 3P outlet under test is wired and apply test voltage.
N-E Reverse can be detected by applying a test voltage from KEW 8343 into the neutral line and examining the direction of the signal.
*KEW 4506 and KEW 8343 cannot be used on TN-C or IT systems.
*Signal Source KEW 8343 is sold separately.
All test results and PASS/FAIL in a clear display screen ![]() | ![]() |
| Easy measurement by simply plugging into a socket outlet and pressing the test button. | LCD backlight automatically turns on at the dark place. *It is possible to disable backlight |

KEW 4506 can test the wiring connection including the N-E Reverse of single-phase socket outlets.
This tester can test single phase socket outlets wired to Three-phase 4-Wire, Single-phase 3-Wire, Single-phase 2-Wire supply systems.
*KEW 4506 cannot be used for checking three-phase socket outlets and testing the RCD.
For use in a general TN system circuit, N-E Reverse can be determined only at socket outlets connected downstream of the N conductor where KEW 8343 is clamped. For checking Ring Circuit socket outlets, KEW 8343 must be connected to the upstream of the N conductor which supplies the ring circuit.



| Socket test *1 | ||||
|---|---|---|---|---|
| | Measurable range of power supply voltage | 80V rms to 290V rms (50/60Hz) *The tester gives voltage warning if 253V or higher voltage is detected but it can perform socket test. | ||
| Socket type | 3 Pole | 2 Pole | ||
| Judgement | PASS | PASS | PASS | |
| FAIL | L-N Reverse | L-N Reverse | ||
| L-E Reverse | Abnormal voltage | |||
| N-E Reverse | - | |||
| E Not connected | - | |||
| N Not connected | - | |||
| N-E unjudgeable | - | |||
| Abnormal voltage | - | |||
| AC V (L-N) | ||||
| Range | 80 to 290V rms (50/60Hz) | |||
| Accuracy | ±2%rdg±4dgt | |||
| Loop resistance (N-E) | ||||
| Range (Auto-ranging) | 200Ω: 0.0 to 199.9Ω 2000Ω: 200 to 1999Ω | |||
| Test current | 200Ω: 5mA (5.3 Hz) 2000Ω: 1mA (5.3 Hz) | |||
| Accuracy | ±3%rdg±5dgt | |||
| Applicable standards | IEC 61010-1, 61010-2-030 CAT Ⅱ 300V, Pollution degree 2, IEC 60529(IP40) |
|---|---|
| Operating temperature & humidity range | -10 to 50℃, RH 85% or less |
| Storage temperature & humidity range | -20 to 60℃, RH 85% or less |
| Power source | LR6 (AA)(1.5V) × 2 |
| Dimensions | 212(L) × 56(W) × 39(D) mm |
| Weight | Approx. 250g (including batteries) |
| Included Accessories | Test lead with IEC connector *3 9161 (Carrying case) LR6 (AA) × 2, Instruction manual |
| Optional Accessories | 8343 (Signal Source for Intelligent Socket Tester) |
*1 If N-E resistance measurement function is turned off (*2), test is performed with a test voltage applied from an optional
signal source only: current flows between N-E is less than 1μA
*2 If the function is disabled, KEW 4506 doesn’t show resistance between N-E.
*3 KAMP 10(AU): Australian plug/ KAMP 10(EU): European SCHUKO plug/
KAMP 10(UK): British plug(13A)/ 7284: American(NEMA)plug