内置密封球轴承,工作寿命长,效率高。
独特的元件移除板能够防止元件引线互相触碰而造成损坏。
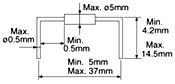
成形距离可达37mm。
高质精钢切刀,可使切口整齐平滑。
切割与成形 |
成形 |
切割 |
HAKKO 154
切割与成形 |
成形 |
切割 |
规格
| 型号 | 153 | 154 |
| 成形距离 (最少) | 5.6mm | 5mm |
| 处理元件脚直径 (最高) | Φ 0.8mm | Φ 0.5mm |
| 尺寸 | 125(阔) x 130(高) x 110(深)mm | |
| 重量 | 约 2kg (包括手柄及螺丝夹) | |
| 纸带外阔度 | 最大 85mm | |
| 纸孔距离 | 5mm | |
注意 : 153 / 154 只适用于处理软铜元件, 元件脚必须为圆柱形状。