适用于切割任何装带式轴向引线元件, 包括电阻,电容,晶体管等。
内置密封球轴承,工作寿命长,效率高。
高质精钢刀片,可使切口整齐平滑。

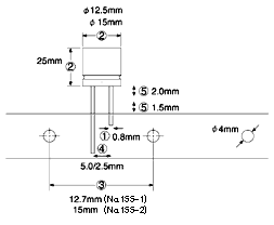
规格
| 型号 | 155-1 | 155-2 |
| 尺寸 | 110(阔) x 140(高) x 125(深) mm | |
| 重量 (包括手柄及螺丝夹) | 1.7kg | |
| ①处理元件脚直径 (最高) | Φ 0.8mm | |
| ②处理元件尺寸 (最高) | Φ 12.5 x 25mm | |
| ③纸孔距离 | 12.7mm | 15mm |
| ④元件脚距离 | 5.0mm / 2.5mm | 5.0mm |
| ⑤处理尺寸 (最少) | 1.5mm (从纸带尾) 2.0mm (从元件尾) | |
注意 : 当处理元件脚距离 2.5mm 之元件时, 请先调节切轮 ;155只适用于处理软铜元件, 元件脚必须为圆柱形状。