便携式多角度分光测色计CM-M6,配备了6个视角和镜面对称光路系统
CM-M6是一款小巧轻便的多角度分光测色计。由于融合了新型“镜面对称光路系统”,此款仪器在测量汽车外涂装方面展现了强大的多功能性。
多角度测量(1个光源, 6个视角)
照明角度: 45°视角: -15°、15°、25°、45°、75°、110°* 具有6个视角的此款仪器相比较上一代分光测色计,在检测金属和珠光色彩方面拥有更高的精度。

镜面对称光路系统
CM-M6拥有围绕其中心轴对称的双重照明/受光系统。即使是在色度计轻微倾斜的情况下,此系统也可确保较高的测量稳定性,可稳定地测量半径R=300的曲面(如后视镜)。
小巧轻便的竖立式造型
小巧的机身(配备手带)可用单手或双手平稳抓握。此外,此款仪器还配备了多种测量汽车外涂装的理想功能:如测量口周围的橡胶护圈(此橡胶护圈可保护测量对象不被划伤)和Bluetooth®支架(选购件,可通过无线连接将测量数据发送到远程设备)。

Ø6 mm测量区域,可测量小面积表面!
测量区域为6mm,可稳定地测量早期机型很难测量的小型表面。

产品规格
| 型号 | CM-M6 | |
|---|---|---|
| 照明/受光系统 | 45°照明:融合了镜面对称光路技术的-15°/15°/25°/45°/75°/110°视角 | |
| 传感器 | 双排40颗硅光电二极管阵列 | |
| 光谱分离装置 | 平面衍射光栅 | |
| 波长范围 | 400-700 nm | |
| 波长间隔 | 10 nm | |
| 反射范围 | 6个角度:0-600%;输出/显示分辨率:0.01% | |
| 光源 | 高CRI白色LED | |
| 测量时间 | 约4.5秒 | |
| 最短测量间隔 | 约5秒 | |
| 电池性能 | 约1500次测量/充电(在23℃下以10秒为间隔) | |
| 测量/照明区域 | Ø 6 mm/ Ø 12 mm | |
| 重复性 | 色度值:ΔE*ab 0.05以内的标准偏差 (当白色校准执行后以10秒为间隔测量白色校准板30次时) | |
| 器间差 | ΔE*ab 0.2以内(平均) (基于在与柯尼卡美能达标准测量条件下由标准样件测量的值相比较的12块BCRA系列Ⅱ色版) | |
| 观察者 | 2°和10℃IE标准观察者 | |
| 光源 | A、C、D50、D65、F2、 F6、F7、F8、F10、F11、F12 (同时用两种可能的光源进行评测) | |
| 显示数据 | 色度值、色差值/图、折线图(色度/色差值)、通过/失败判断 | |
| 色度数据 | L*a*b*L*C*h | |
| 指数 | MI FF值 | |
| 色差公式 | ∆E*ab (CIE 1976) ∆(L*a*b*) ∆(L*C*H*) CMC (l:c)、 ∆E*94 (CIE 1994) ∆E00 (CIE DE2000) ∆E (DIN 6175) | |
| 数据储存器 | 目标数据:200次测量;样本数据:800次测量 | |
| 通过/失败判断 | 可以为色差值设置公差 | |
| 显示语言 | 日语、英语、德语、法语、意大利语、西班牙语、简体中文、葡萄牙语、俄语、土耳其语和波兰语 | |
| 显示屏 | 3.5英寸TFT彩色LCD | |
| 接口 | USB2.0,蓝牙(选购) | |
| 电源 | 可充电锂离子电池(可拆卸),专用交流适配器 | |
| 充电时间 | 在没有电荷剩余的情况下约5小时 | |
| 工作温度/湿度范围 | 0-40℃;相对湿度80%以下(35℃),无冷凝 | |
| 储存温度/湿度范围 | -20-45℃;相对湿度80%以下(35℃),无冷凝 | |
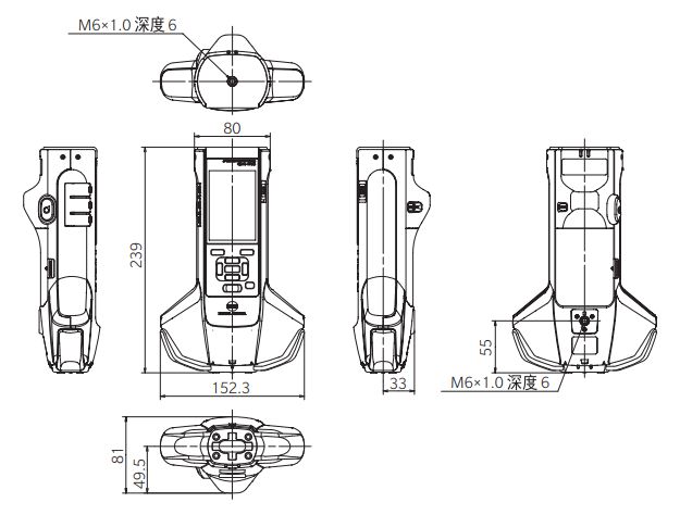
| 尺寸(宽x高x深) | 约152 × 239 × 81 mm | |
| 重量 | 约1.1 kg(含电池) | |

