采用独有的交流采样技术,确保测量电极长期保持灵敏,避免电极极化,寿命长,检测可靠。采用交变电流采集积水的电感参数,准确区分是否发生水浸,甚至可以区分纯净水与自来水。
功能特点
采用485通信接口标准ModBus-RTU通信协议,可接入现场组态系统或 PLC;
带有 1路 继电器常开点输出,方便接入现场设备,标准DIN35mm导轨安装;
此技术为我公司专利,已获专利局授权,凡仿冒者我公司保留追究其法律责任的权利。
技术参数
| 供电 | DC10-30V | |
| 最大功耗 | 继电器输出 | 1.2W |
| RS485输出 | 0.4W | |
| 检测对象 | 自来水、纯净水 | |
| 变送器电路工作温度 | -20℃~+60℃,0%RH~95%RH(非结露) | |
| 输出信号 | 继电器输出 | 常开触点 |
| RS485输出 | ModBus-RTU协议 | |
| 继电器带负载能力 | 250VAC 1A/30VDC 1A | |

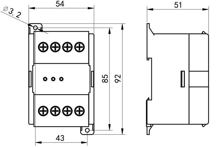
(单位:mm)
产品选型
| RS- | 公司代号 | |||
| SJ- | 水浸变送、传感器 | |||
| N01- | RS485输出 | |||
| R01- | 继电器常开点 | |||
| N01R01- | RS485输出+继电器常开点 | |||
| 4 | 卡轨壳 | |||
| 4H | 卡轨壳带复位按键及声音报警 | |||