保时安 GTQ-DX401 多气体检测仪可同时检测可燃气、氧气、一氧化碳和硫化氢四种气体,具有高灵敏度、出色的重复性和便捷的维护特点,符合多项国家防爆标准。配备彩色液晶屏和人性化操作界面,实时显示气体浓度和状态,支持两级报警和RS485信号输出,确保工业环境下的安全监测。其防爆设计、超低功耗处理器、多重防护功能及模块化传感器更换,满足石油、化工等行业的高可靠性需求。
GTQ-DX401多气体检测仪(以下简称探测器)采用先进的集成电路技术、标准智能化技术设计的智能检测仪。探测器采用自然扩散方式进行气体采样,敏感元件采用优质的气体传感器模组进行气体检测,具有良好的灵敏度和出色的重复性,使用和维护方便,极大的满足了工业现场安全检测对设备高可靠性的要求。可广泛应用于石油、化工、环保、冶炼、炼化、农业、科研、高校等行业和领域。
本产品设计、制造、检定遵守以下国家标准:
GB 12358-2006《作业场所环境气体检测报警仪通用技术要求》
GB/T 3836.1-2021《爆炸性环境第1部分:设备通用要求》
GB/T 3836.2-2021《爆炸性环境第2部分:由隔爆外壳“d”保护的设备》
GB/T 3836.31-2021《爆炸性环境第31部分:由防粉尘点燃外壳“t”保护的设备》
产品特点
1、人性化的GUI操作界面;
2、彩色液晶屏显示;
3、采用了先进的微功耗技术传感器;
4、具有LCD现场显示气体浓度的功能,使现场工作人员及时了解情况;
5、指示灯指示工作状态,正常、低报警、高报警,故障;
6、探测器外壳经过国家指定的防爆产品检验单位检验,并取得了防爆合格证。
产品功能
1、采用半导体纳米工艺超低功耗32位微处理器,24位ADC数据采集芯片;
2、同时检测可燃气、氧气、一氧化碳、硫化氢四种气体(也可根据需求自由定制);
3、PPM、%VOL、mg/m、μmol/mol,单位可切换;
4、现场带背光大屏多参数LCD显示,直观显示气体浓度、类型、单位、工作状态等;
5、更换传感器无须现场标定,传感器关键参数自动识别;
6、中英文显示;
7、传感器多达5级目标点校准功能,保证测量的准确性和线性;
8、两级报警设置,两组继电器无源信号输出;
9、标配RS485信号:采用标准MODBUS RTU协议,传输距离<1km;
10、具有过压保护、防雷保护、短路保护、反接保护、防静电干扰、防磁场干扰等功能并且具有自动恢复功能,防止发生任何外部原因、人为原因、自然灾害等造成探测器损坏;
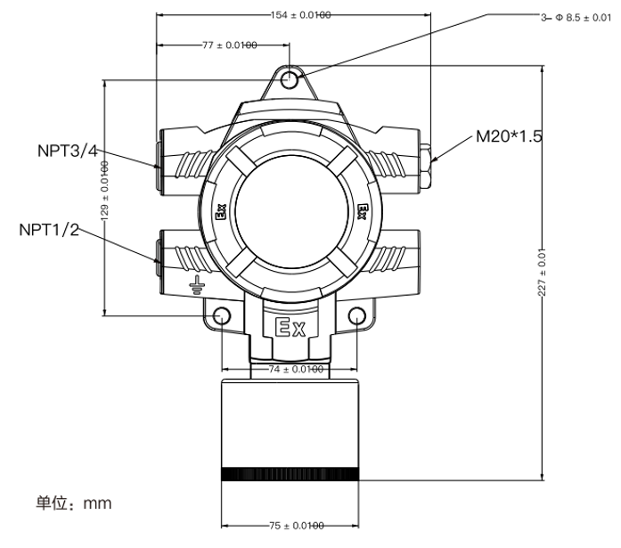
外形结构

技术参数
型号 | GTQ-DX401 |
检测方式 | 扩散式 |
检测气体 | 可燃气、氧气、一氧化碳、硫化氢 |
量程范围 | 可燃气:0-100%LEL、氧气:0-30%VOL、一氧化碳:0-1000PPM、 硫化氢:0-100PPM |
分辨率 | 可燃气:1%LEL、氧气:0.1%VOL、一氧化碳:1PPM、硫化氢:1PPM |
响应时间 | ≤60秒(T90) |
重复性 | ≤±2% |
供电电压 | DC(24±3.6)V |
报警方式 | 声、光报警、状态指示、继电器输出信号 |
信号输出 | Rs485采用标准MODBUS RTU协议/继电器开关量 |
工作湿度 | ≤95%RH,无冷凝结露 |
工作温度 | -40℃~70℃ |
检测气体压力 | 86kPa ~106kPa |
继电器负载 | 两组继电器输出,触点容量:30VDC 2A/125VAC 1A |
安装方式 | 壁挂式、管道式(螺纹尺寸:NPT) |
接线口 | M20x1.5、G1/2 |
使用线缆 | 2x0.75mm屏蔽线 |
壳体材料 | 压铸铝、防爆 |
外形尺寸 | 227*154*106mm(长x宽x厚) |
重量 | 约1.8kg |
防爆标志 | Ex db IIC T6 Gb/Ex tb IIIC T80℃ Db |
防爆等级 | IP66 |