DMC-MX·DMC 329, 129系列 深度千分尺
此类型通过更换测杆,能进行大范围测量。
329系列DMC-MX配有数据输出端口,使其能连入测量网络系统和统计过程控制系统。
(详细信息参见A-3页)
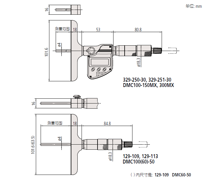
测杆直径: ø4mm。
测杆带有锁定功能。
带有恒定测力的装置。
技术参数
货号 | 型号 | 测量范围 (mm) | 分辨力 (mm) | 基座尺寸 (mm) | 测杆进给 误差 (µm) | 基准面平面度 | 测杆面 平面度 (µm) | 测杆数量 |
数显型 (LCD) | ||||||||
329-250-30 | DMC100-150MX | 0 - 150 | 0.001 | 101.6 x 16 | 3 | 1.3µm (基准面长63.5mm) 2µm (基准面长101.6mm) | 0.3 | 6 |
329-251-30 | DMC100-300MX | 0 - 300 | 12 | |||||
货号 | 型号 | 测量范围 (mm) | 分度值 (mm) | 基座尺寸 (mm) | 测杆进给 误差 (µm) | 基准面平面度 | 测杆面 平面度 (µm) | 测杆数量 |
机械式 | ||||||||
129-154 | DMC60-25 | 0 - 25 | 0.01 | 63.5 x 16 | 3 | 1.3µm (基准面长63.5mm) 2µm (基准面长101.6mm) | 0.3 | 1 |
129-155 | DMC100-25 | 101.6 x 16 | ||||||
129-109 | DMC60-50 | 0 - 50 | 63.5 x 16 | 2 | ||||
129-113 | DMC100-50 | 101.6 x 16 | ||||||
129-110 | DMC60-75 | 0 - 75 | 63.5 x 16 | 3 | ||||
129-114 | DMC100-75 | 101.6 x 16 | ||||||
129-111 | DMC60-100 | 0 - 100 | 63.5 x 16 | 4 | ||||
129-115 | DMC100-100 | 101.6 x 16 | ||||||
129-112 | DMC60-150 | 0 - 150 | 63.5 x 16 | 6 | ||||
129-116 | DMC100-150 | 101.6 x 16 | ||||||
129-152 | DMC60-300 | 0 - 300 | 63.5 x 16 | 12 | ||||
129-153 | DMC100-300 | 101.6 x 16 | ||||||
尺寸
