日本三丰Mitutoyo公司
极限千分尺113型

查看原图
型号:LMM-25/LMM-50

113系列 极限千分尺

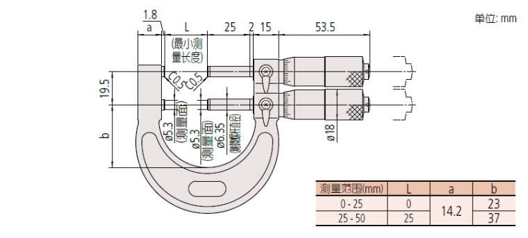
通过对2个测微头上限和下限尺寸的设置,可以作为极限卡规使用。

测量面为硬质合金。

技术参数

货号

型号

测量范围(mm)

分度值(mm)

最大允许误差JMPE (µm)

平面度(µm)

平行度(µm)

113-102

LMM-25

0 - 25

0.01

±3

0.6

3

113-103

LMM-50

25 - 50

尺寸

113系列 -1.png

产品发布日期:2026.03.18
日本三丰Mitutoyo公司