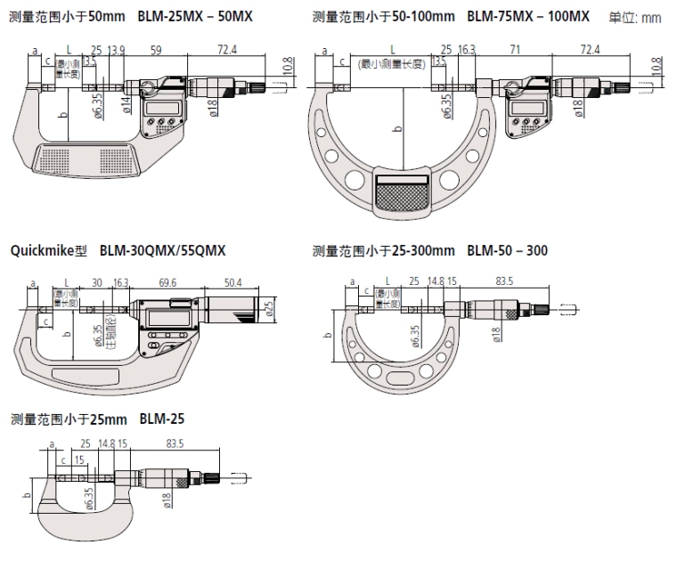
BLM-MX/QMX/BLM系列 薄片型千分尺
测砧和测微螺杆的端面为薄片型,可用于测量花键轴、键槽等不易测量位置的凹槽尺寸。
可用硬质合金测量面。
直进式测微螺杆型。
带有恒定测力的装置。
通用规格
BLM-MX/QMX电源
纽扣型氧化银电池SR44 (No.938882) 1个
(标准附件,用于初次操作检查)
电池寿命
通常使用情况下约2.4年(BLM-MX)
通常使用情况下约5年(BLM-QMX)
位置检出方式
电磁感应式旋转编码器(BLM-MX)
静电电容式绝对值编码器(BLM-QMX)
标准附件
量杆1件(不包括0 - 25mm, 0-30mm型)
扳手(No.301336) 1件(BLM/BLM-MX)
技术参数
货号 | 型号 | 测量范围(mm) | 分辨力(mm) | 最大允许误差JMPE (µm) | 平行度(µm) | 尖端形状 |
数显型 (LCD) | ||||||
422-230-30 | BLM-25MX | 0 - 25 | 0.001 | ±3 | 3 | A型 |
422-231-30 | BLM-50MX | 25 - 50 | ||||
422-232-30 | BLM-75MX | 50 - 75 | ||||
422-233-30 | BLM-100MX | 75 - 100 | ±4 | 4 | ||
422-260-30 | BLM-25MX/0.4T | 0 - 25 | ±3 | 3 | B型 | |
422-261-30 | BLM-50MX/0.4T | 25 - 50 | ||||
数显型 Quickmike型 (LCD) | ||||||
422-411-20 | BLM-30QMX | 0 - 30 | 0.001 | ±3 | 3 | A型 |
422-412-20 | BLM-55QMX | 25 - 55 | ||||
货号 | 型号 | 测量范围(mm) | 分度值(mm) | 最大允许误差JMPE (µm) | 平行度(µm) | 尖端形状 |
机械式 | ||||||
122-101-10 | BLM-25B | 0 - 25 | 0.01 | ±3 | 3 | A型 |
122-102-10 | BLM-50B | 25 - 50 | ||||
122-103-10 | BLM-75B | 50 - 75 | ||||
122-104-10 | BLM-100B | 75 - 100 | ±4 | 4 | ||
122-105-10 | BLM-125B | 100 - 125 | 5 | |||
122-106-10 | BLM-150B | 125 - 150 | ||||
122-107-10 | BLM-175B | 150 - 175 | ±5 | |||
122-108-10 | BLM-200B | 175 - 200 | ||||
122-109-10 | BLM-225B | 200 - 225 | 6 | |||
122-110-10 | BLM-250B | 225 - 250 | ±6 | |||
122-115-10 | BLM-275B | 250 - 275 | ||||
122-116-10 | BLM-300B | 275 - 300 | ||||
122-111-10 | BLM-25B/0.4T | 0 - 25 | 0.01 | ±3 | 3 | B型 |
122-112-10 | BLM-50B/0.4T | 25 - 50 | ||||
机械式(测微螺杆为硬质合金头) | ||||||
122-161-10 | BLM-25WB | 0 - 25 | 0.01 | ±3 | 3 | C型 |
122-162-10 | BLM-50WB | 25 - 50 | ||||
122-141-10 | BLM-25WB/0.4T | 0 - 25 | 0.01 | D型 | ||
122-142-10 | BLM-50WB/0.4T | 25 - 50 | ||||
数显型 (LCD) (硬质合金头) | ||||||
422-270-30 | BLM-25MXW | 0 - 25 | 0.001 | ±3 | 3 | C型 |
422-271-30 | BLM-25MXW/0.4T | D型 | ||||
尺寸
