BMD-MX/BMD/BMD-K系列 壁厚千分尺
测量面为硬质合金。
(BMD-15: 只有测微螺杆是硬质合金)
BMD-MX: 达到IP65防护等级的球面-球面型数显千分尺。
带有恒定测力的装置。
通用规格
BMD-MX电源
纽扣型氧化银电池SR44 (No.938882) 1个
(标准附件,用于初次操作检查)
BMD-MX电池寿命
通常使用情况下约2.4年
BMD-MX的位置检出方式
电磁感应式旋转编码器
标准附件
量杆1件(不包括0 - 15mm、0 - 25mm型)
扳手(No.200168) 1件(BMD-15)
扳手(No.301336) 1件(BMD/BMD-K/BMD-MX)
技术参数
货号 | 型号 | 测量范围(mm) | 分辨力(mm) | 最大允许误差 JMPE (µm) | øD (mm) |
数显型 (LCD) | |||||
395-271-30 | BMD-25MX | 0 - 25 | 0.001 | ±2 | ø15 |
395-272-30 | BMD-50MX | 25 - 50 | |||
395-273-30 | BMD-75MX | 50 - 75 | ø19 | ||
395-274-30 | BMD-100MX | 75 - 100 | ±3 | ø20 | |
货号 | 型号 | 测量范围(mm) | 分度值(mm) | 最大允许误差 JMPE (µm) | øD (mm) |
机械式 | |||||
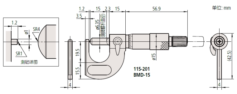
115-201 | BMD-15 | 0 - 15 | 0.01 | ±3 | ø5.5 |
115-215 | BMD-25 | 0 - 25 | ø10 | ||
115-216 | BMD-50 | 25 - 50 | ø11 | ||
115-217 | BMD-75 | 50 - 75 | ø17 | ||
115-218 | BMD-100 | 75 - 100 | ±4 | ø18 | |
机械计数器型 | |||||
295-215 | BMD-25K | 0 - 25 | 0.01 | ±3 | ø10 |
尺寸
