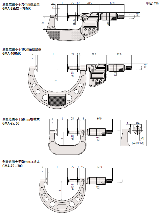
GMA-MX/GMA/GMA-K系列 盘型千分尺
测量直齿圆柱齿轮和斜齿轮的公法线长度。
公法线长度的测量 :参见B-68页“精密量仪· 量具的小知识”。
带有恒定测力的装置。
带有基点调整用量杆(不包括0-25mm型)。
技术参数
货号 | 型号 | 测量范围 (mm) | 分辨力 (mm) | 最大允许误差 JMPE (µm) | 测砧直径 (mm) | 测量模数 |
数显型 (LCD) | ||||||
323-250-30 | GMA-25MX | 0 - 25 | 0.001 | ±4 | ø20 | 0.5 - 6 |
323-251-30 | GMA-50MX | 25 - 50 | ||||
323-252-30 | GMA-75MX | 50 - 75 | ±6 | |||
323-253-30 | GMA-100MX | 75 - 100 | ||||
货号 | 型号 | 测量范围 (mm) | 分度值 (mm) | 最大允许误差 JMPE (µm) | 测砧直径 (mm) | 测量模数 |
计数器型 | ||||||
223-101 | GMA-25K | 0 - 25 | 0.01 | ±4 | ø20 | 0.5 - 6 |
223-102 | GMA-50K | 25 - 50 | ||||
机械式 | ||||||
123-101 | GMA-25 | 0 - 25 | 0.01 | ±4 | ø20 | 0.5 - 6 |
123-113*1 | GMA-25W | |||||
123-102 | GMA-50 | 25 - 50 | ||||
123-114*1 | GMA-50W | |||||
123-103 | GMA-75 | 50 - 75 | ±6 | |||
123-115*1 | GMA-75W | |||||
123-104 | GMA-100 | 75 - 100 | ||||
123-116*1 | GMA-100W | |||||
123-105 | GMA-125 | 100 - 125 | ±7 | ø30 | 0.7 - 11 | |
123-106 | GMA-150 | 125 - 150 | ||||
123-107 | GMA-175 | 150 - 175 | ±8 | |||
123-108 | GMA-200 | 175 - 200 | ||||
123-109 | GMA-225 | 200 - 225 | ||||
123-110 | GMA-250 | 225 - 250 | ±9 | |||
123-111 | GMA-275 | 250 - 275 | ||||
123-112 | GMA-300 | 275 - 300 | ||||
尺寸
