EPS1/8型破碎缩分联合制样机是根据“煤样的制备方法”GB474 要求,主要用于对原材料的中碎和细碎,如煤、煤矸石、焦炭、石灰石、硫铁矿、磷矿石等其他块状物料的试样制备,可连续完成筛分、破碎和缩分三道工序。。其破碎方式为曲动挤压式,被破碎物料的抗压强度不超过1500kg/cm2,适合制样量比较大的试验室使用。广泛应用于煤炭、地质、冶金、建材、电力、化工等系统试验室,是一种联合制样设备。
技术参数:
小颚破:
进料口尺寸:100×60(mm);
入料粒度:≤60mm;
出料粒度:≤3~13mm,可调;
制样能力:200~300kg/h;
电机功率:1.5KW;
外形尺寸:1120×550×1150(mm);
重量:200kg。
大颚破:
进料口尺寸:125×150(mm);
入料粒度:≤120mm;
出料粒度:≤6~13mm,可调;
制样能力:500~1500kg/h;
电机功率:3KW;
外形尺寸:1250×950×1250(mm);
重量:400kg。
适应水分:≤11%(收到基全水分)
缩分比:1:8
缩分比:1/2,1/4,1/8 可调
电源:三相AC 380V,50HZ
EPS-1/8破碎缩分联合制样机工作原理:该机共用机体、缩分器、破碎机器、振筛器、电机和机诫传动等六部份组成如图(一)。机体是一个联合整体,振筛器起到自动给料和筛分两项功能,小粒度料直接进入缩分器,大粒度料送入破碎机,待破碎后再送入缩分器。缩分器有两组三分器,组成两级缩分,一级缩分有五个格槽,中间一个为取样槽,由于给料口宽度和缩分器运动距离都等于三个格槽宽度,保证了缩分器运动到任何位置上,都包括中间格槽,而且只有三个格槽宽度缩分,达到取样三分之一,舍弃三分之二目的,使物料在不同时间、不同部位均匀有规律地采取试样,使所取试样能代表全部送入机器的物料。二级缩分有三个格槽,通过二级缩分达到九分之一目的。

图一 联合制样机结构原理图
1,机体 2,缩分器 3,破碎机器 4,振筛机 5,电机 6,机械传动
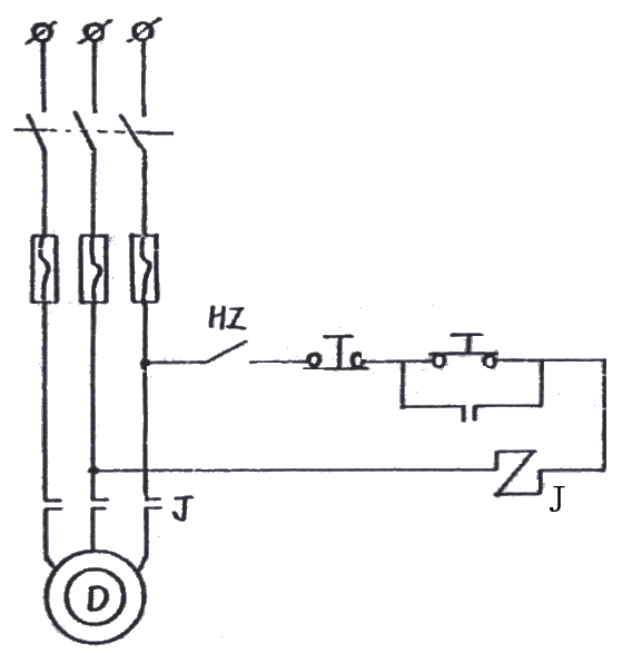
电器原理图

1.整机有四个地脚丝,安装在平稳坚固地面上。
2.打开缩分器前板和护罩,擦拭各运动部件,加注适量黄油。
3.用手转动破碎机的配重轮,观察各运动部件是否正常,特别应观察缩分器和筛分下料器的准线是否对应在一条直线上,否则可调节连杆的长度。
4.根据出料粒度,调节好破碎机颚板间隙。
5.将接料斗放入取样处。
6.接好电源,试运转,观察各部运动情况,待一切正常后,上好护罩和缩分器前板,即可正式使用。
7.将物料放在筛子后部,开动电机,即可自动筛分、破碎、缩分。
注意:(1)、上料速度应与机器在破碎速度同步,不要一次加料太多。
(2)、接料斗装满后及时换斗。
(3)、根据需要还可将制取的样品,通过机器再缩分一次,可取得八分之一的试样。
8、制样完毕后应将机器擦拭干净,运动部件应注意经常注适量的润滑油。
EPS-1/8破碎缩分联合制样机故障排除1、机器开动后振筛器不下料
原因:电动机反转,将电源两相对调即可。
2.缩分比相差太大。
原因:(1)、筛低下料口与缩分器中心不在一条直线上,应调节中心。
(2)、缩分器格槽变形,或格槽内有杂物堵塞,清除堵物,修正格槽。
(3)、一级缩分取样格槽没有对正二级缩分器中间格槽,应调节二级缩分器,然后固定牢。
破碎缩分联合制样机使用维护和注意事项:1.为了保证机器长期良好运转使用,对各活动机构和部位经常加油,撑板与动颚支点每十五天加油一次。各轴承内每九十天加油一次。
2.进入破碎腔内的物料,须严格检查,严防金属异物或以爆炸物混入物料中,以免发生意外,要经常检查缩分系统,换向拔叉处,格槽斗的滑杆上经常加油。经常检查缩分比的误差,如误差太大时,检查原因并及时排除,格槽如有堵塞现象要及时清理。
3.曲轴两端的轴承内,可根据实际使用情况经常加注适量的润滑脂。
4.每班使用时,要仔细检查破碎机的颚板是否松动,工作中要经常性的观察颚板的工作情况,发现异常情况时,要停止工作,处理并排除故障,防止颚板的松动或位移而挤坏机器。
5.运作时严禁任何清理工作和安装拆卸皮带。禁止用手或撬杆从装料口取出物料或移动物料位置,防止事故发生。
6.破碎机用三角带传动,要经常检查皮带使用情况,如有30%的皮带损坏严重就全部更换新的三角带,不可新旧混用,以免减小功率。
7.机器安装在避雨的地方,尽可能的不露天安装。
8.破碎机每年进行一次停机保养,每两年进行一次大修。