IMADA依梦达测力计株式会社
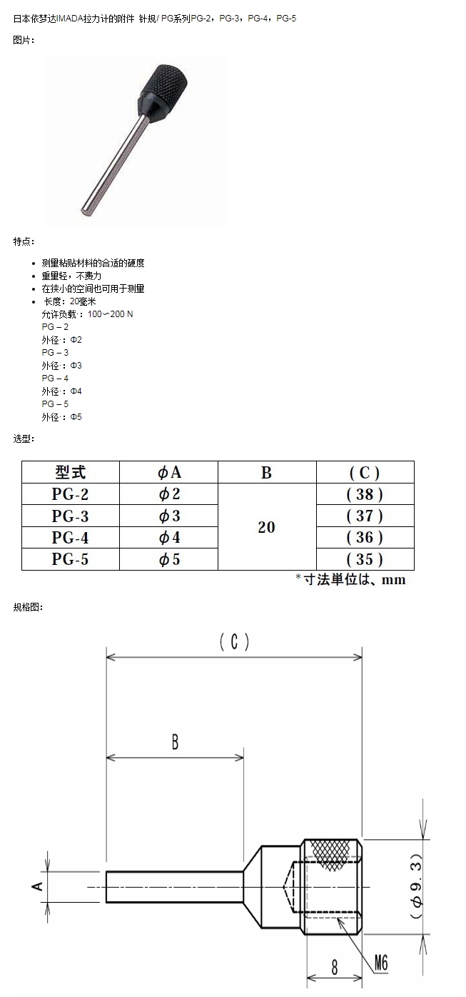
针规PG-4
查看原图
型号:PG-4
配件产地:国产配件
产品发布日期:2026.03.15
产品中心
公司介绍
新闻动态
技术文章
IMADA依梦达测力计株式会社
登录
注册
IMADA依梦达测力计株式会社
产品中心
公司介绍
新闻动态
技术文章
试剂仪器网
首页
资讯
厂商
资料
试剂
原料
仪器
设备
公司首页
在线咨询